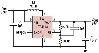
LT3461A, High conversion ratio, 3.3V to 25V step up converter occupies as little as 50mm2

Reference Design using part LT3461A by Analog Devices

Manufacturer

Analog Devices
  • Application Category
    Power Supplies
  • Product Type
    DC to DC Single Output Power Supplies

For End Products

  • Imaging Device
  • LCD/OLED Display

Description

  • LT3461A, LCD bias circuit provides 18mA at 25V from a 3.3V supply and occupies as little as 50mm2 of board space

Key Features

  • Conversion Type
    DC to DC
  • Input Voltage
    3.3 V
  • Output Voltage
    25 V
  • Output Current
    0.018 A
  • Efficiency
    79 %
  • Topology
    Boost

We've updated our privacy policy. Please take a moment to review these changes. By clicking I Agree to Arrow Electronics Terms Of Use  and have read and understand the Privacy Policy and Cookie Policy.

Our website places cookies on your device to improve your experience and to improve our site. Read more about the cookies we use and how to disable them here. Cookies and tracking technologies may be used for marketing purposes.
By clicking “Accept”, you are consenting to placement of cookies on your device and to our use of tracking technologies. Click “Read More” below for more information and instructions on how to disable cookies and tracking technologies. While acceptance of cookies and tracking technologies is voluntary, disabling them may result in the website not working properly, and certain advertisements may be less relevant to you.
We respect your privacy. Read our privacy policy here