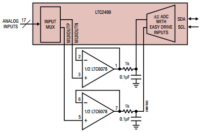
Typical Application Circuit for LTC2499IUHF 24-Bit, 16-Channel ADC with External Buffers Provide High Impedance Inputs

使用 Analog Devices 的 LTC2499IUHF 的参考设计

供应商

Analog Devices
  • 应用类别
    数据转换
  • 产品类别
    模拟到数字转换

依据最终产品

  • Portable Instrumentation
  • Process Control
  • Temperature Control System

说明

  • Typical Application Circuit for LTC2499IUHF 24-Bit, 16-Channel ADC with External Buffers Provide High Impedance Inputs. The LTC2499 is a 16-channel (eight differential), 24-bit, No Latency ADC with Easy Drive technology and a 2-wire, I2C interface

主要特色

  • ADC Resolution
    24 Bit
  • Number of Channels
    16CH

请仔细阅读我们近期更改的隐私政策。当按下确认键时,您已了解并同意艾睿电子的隐私政策和用户协议。

本网站需使用cookies以改善用户您的体验并进一步改进我们的网站。此处阅读了解关于网站cookies的使用以及如何禁用cookies。网页cookies和追踪功能或許用于市场分析。当您按下同意按钮,您已经了解并同意在您的设备上接受cookies,并给予网站追踪权限。更多关于如何取消网站cookies及追踪的信息,请点击下方“阅读更多”。尽管同意启用cookies追踪与否取决用户意愿,取消网页cookies及追踪可能导致网站运作或显示异常,亦或导致相关推荐广告减少。

我们尊重您的隐私。请在此阅读我们的隐私政策。