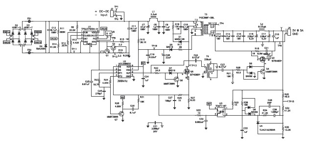
SLVU188, 25W, 4.75 to 5.25V DC to DC Single Output Power Supply for Power Over Ethernet
使用 Texas Instruments 的 TPS2376DDA-H 的参考设计
Image
1 / 2
依据最终产品
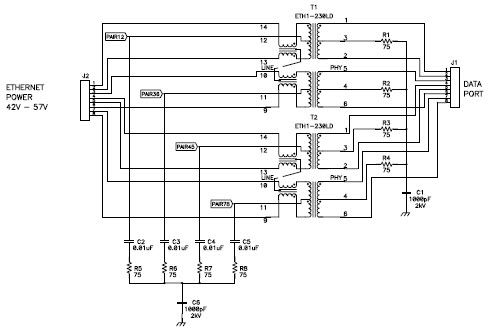
- Power Over Ethernet
说明
- SLVU188, 25W, 4.75 to 5.25V DC to DC Single Output Power Supply for Power Over Ethernet. 25W, High-Power PoE Using the TPS2376-H.PoE has followed the IEEE 802.3af standard for specifying PD design and performance and includes a maximum power allotment of 15.4W by the PSE
主要特色
-
Conversion TypeDC to DC
-
Input Voltage0 to 57 V
-
Output Voltage4.75 to 5.25 V
-
Output Current5 A
-
Output Power25 W
-
Efficiency83 %
-
TopologyFlyback
Featured Parts (6)
| 零件编号 | 供应商 | 类别 | 说明 | |||
|---|---|---|---|---|---|---|
|
|
UCC3809D-2-238266101 | Texas Instruments | PWM and Resonant Controllers | Primary Side PWM Controller 0.8mA 1000kHz 8-Pin SOIC Tube | 买入 | |
|
|
TLV431ACDBVR | Texas Instruments | Voltage References | V-Ref Adjustable 1.24V to 6V 15mA 5-Pin SOT-23 T/R | 买入 | |
|
|
TCMT1107 | Vishay | Transistor and Photovoltaic Output Photocouplers | Optocoupler DC-IN 1-CH Transistor DC-OUT 4-Pin SSOP T/R | 买入 | |
|
|
UCC3809D-2 | Texas Instruments | PWM and Resonant Controllers | Primary Side PWM Controller 0.8mA 1000kHz 8-Pin SOIC Tube | 买入 | |
|
|
TPS2376DDA-H | Texas Instruments | Power Over Ethernet - PoE Controllers | Power Over Ethernet PD Controller 0V 57V 26W 8-Pin HSOIC EP | 买入 | |
|
|
TPS2376DDA-HG4 | Texas Instruments | Power Over Ethernet - PoE Controllers | Power Over Ethernet PD Controller 0V 57V 26W 8-Pin HSOIC EP | 买入 | |