PMP9495, Battery Charger and LED Driver - High Efficiency Synchronous 4 Switch Buck-Boost Topology

使用 Texas Instruments 的 LM5175PWPR 的参考设计

供应商

Texas Instruments
  • 应用类别
    电源
  • 产品类别
    直流到直流多输出电源

依据最终产品

  • Battery Charger
  • Desktop PC Power Supply
  • LED Lighting
  • USB Power Management

说明

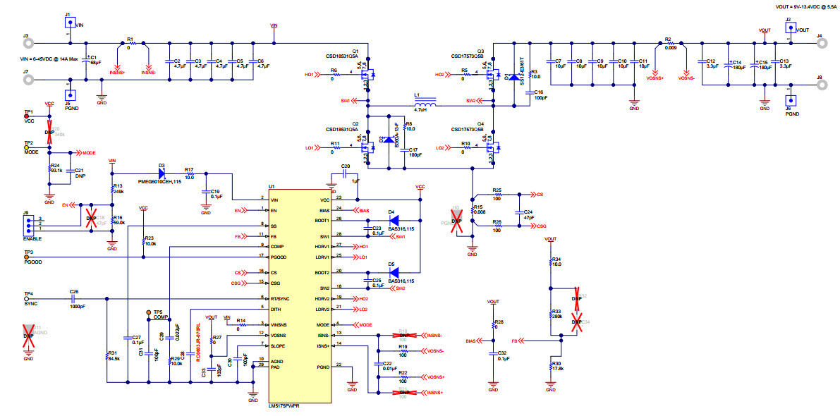
  • PMP9495, Battery Charger and LED Driver - High Efficiency Synchronous 4 Switch Buck-Boost Topology. PMP9495 is a 72 W four Switch Buck -Boost Design utilizing best in Class Synchronous Buck-Boost Converter LM5175. The design accepts a very Wide input voltage of 6Vin to 33Vin and provides the outputs of 13.4V@5 A for Constant Voltage Output Application, 9V-13.4V @ 5.5A for CC/CV Battery Charger application, and 5.5 A for Constant Current LED Drive application. It features an inexpensive and more efficient solution to using discrete Buck and boost converters

主要特色

  • Conversion Type
    DC to DC
  • Input Voltage
    6 to 33 V
  • Output Voltage
    9|13.4 V
  • Output Current
    5@13.4V|5.5@9V A
  • Output Power
    72 W
  • Topology
    Buck Boost

请仔细阅读我们近期更改的隐私政策。当按下确认键时,您已了解并同意艾睿电子的隐私政策和用户协议。

本网站需使用cookies以改善用户您的体验并进一步改进我们的网站。此处阅读了解关于网站cookies的使用以及如何禁用cookies。网页cookies和追踪功能或許用于市场分析。当您按下同意按钮,您已经了解并同意在您的设备上接受cookies,并给予网站追踪权限。更多关于如何取消网站cookies及追踪的信息,请点击下方“阅读更多”。尽管同意启用cookies追踪与否取决用户意愿,取消网页cookies及追踪可能导致网站运作或显示异常,亦或导致相关推荐广告减少。

我们尊重您的隐私。请在此阅读我们的隐私政策。