PMP4442-3, Automotive I.MX6 Quad Core Processor Power Solution Reference Design
使用 Texas Instruments 的 TPS54561QDPR 的参考设计
Image
1 / 4
依据最终产品
- Automotive and Transportation
- Infotainment System
- Instrument Cluster
说明
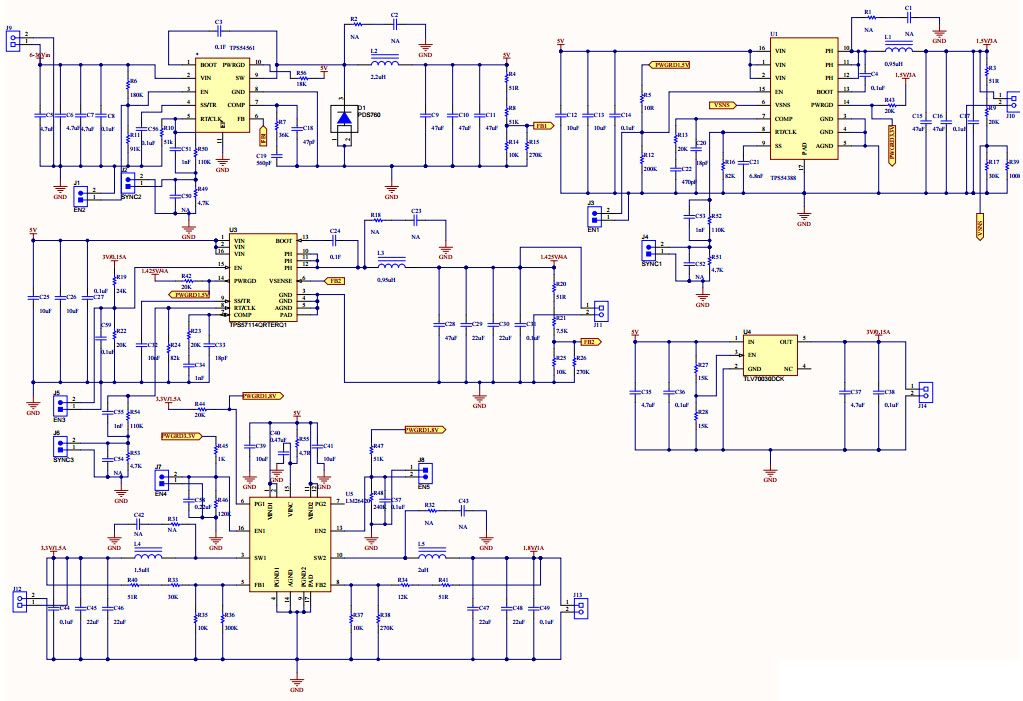
- PMP4442-3, Automotive I.MX6 Quad Core Processor Power Solution Reference Design. This design is an low-cost discrete power solution to power I.MX6 quad core. All the DCDC regulators are running at 2MHz to avoid the AM band interference and provide low solution size. The first stage DCDC converter can support wide Vin range from 6V to 42V, which can support start-stop system as well as load dump. The second stage DCDC provides all the necessary power rails to power up I.MX6 quad core. I.MX6 is very loose on the power sequencing of the different rails so no sequencer is necessary for this design. It uses a 4 layer board with 2oz copper to have better thermal characteristic at 2MHz switching frequency and 85C ambient
主要特色
-
Conversion TypeDC to DC
-
Input Voltage6 to 42 V
-
Output Voltage3.3 V
-
Output Current1.5 A
-
Output Power4.95 W
-
TopologyBuck- Synchronous
Featured Parts (8)
| 零件编号 | 供应商 | 类别 | 说明 | |||
|---|---|---|---|---|---|---|
|
|
TLV70030DCKT | Texas Instruments | Linear Regulators | LDO Regulator Pos 3V 0.2A 5-Pin SC-70 T/R | 买入 | |
|
|
TLV70030DCKR | Texas Instruments | Linear Regulators | LDO Regulator Pos 3V 0.2A 5-Pin SC-70 T/R | 买入 | |
|
|
TPS57114MRTETEP | Texas Instruments | DC to DC Converter and Switching Regulator Chip | Conv DC-DC 2.95V to 6V Synchronous Step Down Single-Out 0.8V 3.5A 16-Pin WQFN EP T/R | 买入 | |
|
|
LM26420XSQX/NOPB | Texas Instruments | DC to DC Converter and Switching Regulator Chip | Conv DC-DC 3V to 5.5V Synchronous Step Down Dual-Out 0.8V to 4.5V 2A/2A 16-Pin WQFN EP T/R | 买入 | |
|
|
TPS57114CQRTERQ1 | Texas Instruments | DC to DC Converter and Switching Regulator Chip | Conv DC-DC 2.95V to 6V Synchronous Step Down Single-Out 0.8V to 4.5V 4A 16-Pin WQFN EP T/R Automotive AEC-Q100 | 买入 | |
|
|
LM26420XSQX/NOPB | Texas Instruments | DC to DC Converter and Switching Regulator Chip | Conv DC-DC 3V to 5.5V Synchronous Step Down Dual-Out 0.8V to 4.5V 2A/2A 16-Pin WQFN EP T/R | 买入 | |
|
|
TPS54561QDPRRQ1 | Texas Instruments | DC to DC Converter and Switching Regulator Chip | Conv DC-DC 4.5V to 60V Step Down Single-Out 0.8V to 58.8V 5A Automotive AEC-Q100 10-Pin WSON EP T/R | 买入 | |
|
|
TPS54561QDPRTQ1 | Texas Instruments | DC to DC Converter and Switching Regulator Chip | Conv DC-DC 4.5V to 60V Step Down Single-Out 0.8V to 58.8V 5A Automotive AEC-Q100 10-Pin WSON EP T/R | 买入 | |