过滤器
| 说明 | 依据发布人 | 依据应用 | 依据最终产品 | |||
|---|---|---|---|---|---|---|
MAX9924UEVKIT+MAX9924UEVKIT+, Evaluation Kit for MAX9924 4.5 to 5.5V Magnetic Sensor for Magnetic Card Reader |
Analog Devices | Sensors and Transducers | Magnetic Card Reader | |||
MAX9926UEVKIT+MAX9926UEVKIT+, Evaluation Kit for MAX9926 4.5 to 5.5V Magnetic Sensor for Magnetic Card Reader |
Analog Devices | Sensors and Transducers | Magnetic Card Reader | |||
AN39881.8W, 1.8V DC to DC Single Output Power Supply for Magnetic Card Strip Encoders and Readers with DSP |
Analog Devices | Power Supplies | Telecom Power Supply, Wireless Base Station, RAID Controller Card, Magnetic Card Reader | |||
CY8CKIT-050BCY8CKIT-050B, PSoC 5LP Development Kit for the CY8C58LP High Precision Analog Device |
Infineon Technologies AG | Embedded System | Smart Phone, Servers, Power Management, Medical and Healthcare, Consumer Electronics, LCD Display, Modems, OLED Display, Pulse Oximeter, Infusion Pump, Blood Glucose, Magnetic Card Reader, Blood Pressure Monitor | |||
LM2854-1000EVAL |
Texas Instruments | Power Supplies | Industrial Networking, Power Line Communication, Actel FPGAs - Space, System Power Rail, Magnetic Card Reader | |||
AN-18151V DC to DC Single Output Power Supply for Actel FPGAs - Space |
Texas Instruments | Power Supplies | Notebook, Set-Top Box, Servers, Desktop PC Power Supply, Actel FPGAs - Space, Magnetic Card Reader, Printers | |||
LM21305EVM3.3V DC to DC Single Output Power Supply for Wireless Infrastructure |
Texas Instruments | Power Supplies | Processor Power Management, Wireless Infrastructure, Broadband Access, Network Interface Device, Magnetic Card Reader, Altera FPGAs | |||
CY8CKIT-030A |
Infineon Technologies AG | Embedded System | Smart Phone, Servers, Power Management, Medical and Healthcare, Consumer Electronics, LCD Display, Modems, OLED Display, Pulse Oximeter, Infusion Pump, Blood Glucose, Magnetic Card Reader, Blood Pressure Monitor | |||
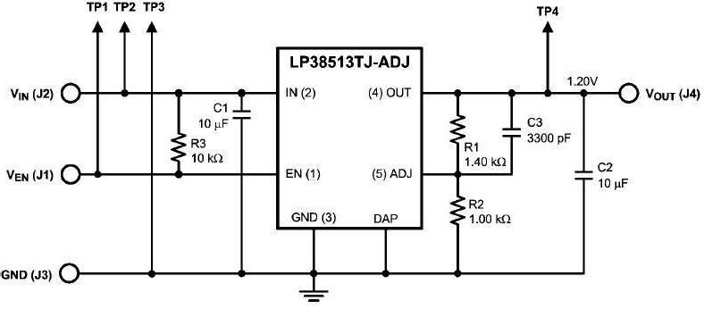
LP38513TJ-ADJEV1.2V DC to DC Single Output Power Supply for Battery Charger |
Texas Instruments | Power Supplies | Battery Charger, Power Tool, Lighting Dimmer, Magnetic Card Reader | |||