过滤器
| 说明 | 依据发布人 | 依据应用 | 依据最终产品 | |||
|---|---|---|---|---|---|---|
DC1010A-C |
Analog Devices | Data Conversion | Instrumentation and Measurement, Industrial Control, Outdoor Temperature Sensor | |||
DC1010A-B |
Analog Devices | Data Conversion | Instrumentation and Measurement, Industrial Control, Outdoor Temperature Sensor | |||
EVAL-AD7194EBZEVAL-AD7194EBZ, Evaluation Board for the AD7194, 4.8 kHz, Ultra Low Noise, 24-Bit Sigma-Delta ADC |
Analog Devices | Data Conversion | Instrumentation and Measurement, Data Acquisition System, Medical and Healthcare, Weight Scale, Strain Gauge, Outdoor Temperature Sensor, Pressure Sensor, Flow Meter | |||
DC043ADC043A, LTC1286CS8 Demo Board, Micro-power 12-BIT Serial I/O ADC |
Analog Devices | Data Conversion | Instrumentation and Measurement, Data Acquisition System, Industrial Control, LCD Monitor, Outdoor Temperature Sensor | |||
EVAL-AD7195EBZEVAL-AD7195EBZ, Evaluation Board for the AD7195, 24-Bit, 4.8KSPS ADC for Medical |
Analog Devices | Data Conversion | Data Acquisition System, Medical and Healthcare, Weight Scale, Strain Gauge, Outdoor Temperature Sensor, Pressure Sensor, Flow Meter, Industrial Programmable Logic Controllers (PLCs) | |||
DC045ADC045A, LTC1298CS8 Demo Board, Micro-power 12-BIT 2-CHANNEL ADC |
Analog Devices | Data Conversion | Instrumentation and Measurement, Data Acquisition System, Industrial Control, LCD Monitor, Outdoor Temperature Sensor | |||
DC846ALTC2447UHF Demo Board, 24-Bit High Speed 4-/8-Channel Delta Sigma ADC |
Analog Devices | Data Conversion | Weight Scale, Outdoor Temperature Sensor, Pressure Sensor, Gas Meter, Flow Meter | |||
DC939ADC939A, Demo Board Using LTC2484 24-bit High performance DS ADC |
Analog Devices | Data Conversion | Instrumentation and Measurement, Industrial Control, Weight Scale, Strain Gauge, Outdoor Temperature Sensor | |||
EVAL-AD7193EBZEVAL-AD7193EBZ, Evaluation Board for the AD7193, 24-Bit, 4.8KSPS ADC for Medical |
Analog Devices | Data Conversion | Data Acquisition System, Medical and Healthcare, Weight Scale, Strain Gauge, Outdoor Temperature Sensor, Pressure Sensor, Flow Meter, Industrial Programmable Logic Controllers (PLCs) | |||
DC845ALTC2448UHF Demo Board, 24-Bit High Speed 8-/16-Channel Delta Sigma ADC |
Analog Devices | Data Conversion | Data Acquisition System, Weight Scale, Outdoor Temperature Sensor | |||
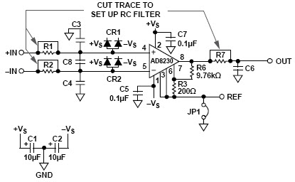
AD8230-EVALZ |
Analog Devices | Amplifiers and Comparators | Strain Gauge, Outdoor Temperature Sensor, Pressure Sensor | |||
DC1012A-B |
Analog Devices | Data Conversion | Instrumentation and Measurement, Industrial Control, Outdoor Temperature Sensor | |||
DC1012A-A |
Analog Devices | Data Conversion | Instrumentation and Measurement, Industrial Control, Outdoor Temperature Sensor | |||
EVAL-AD7788EBEVAL-AD7788EB, Evaluation Board for the AD7789, 24-Bit, 16.6SPS, 1CH ADC for Portable |
Analog Devices | Data Conversion | Portable, Instrumentation and Measurement, Weight Scale, Outdoor Temperature Sensor, Pressure Sensor | |||
EVAL-AD7795EBEVAL-AD7795EB, Evaluation Board for AD7795, 16-Bit, 470 SPS, 6-CH Analog to Digital Converter |
Analog Devices | Data Conversion | Weight Scale, Strain Gauge, Outdoor Temperature Sensor, Pressure Sensor | |||
EVAL-AD7794EBZEVAL-AD7794EBZ, evaluation board for AD7794, 24-Bit, 470SPS, 6CH ADC for Strain Gauge |
Analog Devices | Data Conversion | Weight Scale, Strain Gauge, Outdoor Temperature Sensor, Pressure Sensor | |||
EVAL-AD7782EBEVAL-AD7782EB, evaluation board for AD7782, 24-Bit, 20SPS, 2CH ADC for Industrial Control |
Analog Devices | Data Conversion | Instrumentation and Measurement, Industrial Control, Weight Scale, Outdoor Temperature Sensor, Pressure Sensor | |||
EVAL-AD7798EBEVAL-AD7798EB, Evaluation Board for AD7798, 16-Bit, 470 SPS, 3-CH Analog to Digital Converter |
Analog Devices | Data Conversion | Instrumentation and Measurement, Industrial Control, Weight Scale, Strain Gauge, Outdoor Temperature Sensor, Pressure Sensor | |||
EVAL-AD7788EBEVAL-AD7788EB, Evaluation Board for the AD7788, 16-Bit, Low Power, Delta-Sigma ADC |
Analog Devices | Data Conversion | Portable, Instrumentation and Measurement, Weight Scale, Outdoor Temperature Sensor, Pressure Sensor | |||
EVAL-AD7799EBZEVAL-AD7799EBZ, evaluation board for AD7799, 24-Bit, 470SPS, 3CH ADC for Strain Gauge |
Analog Devices | Data Conversion | Instrumentation and Measurement, Industrial Control, Weight Scale, Strain Gauge, Outdoor Temperature Sensor, Pressure Sensor | |||