过滤器
| 说明 | 依据发布人 | 依据应用 | 依据最终产品 | |||
|---|---|---|---|---|---|---|
AN1029 |
Analog Devices | Power Supplies | LCD TV, Flash Card, Solar Cell | |||
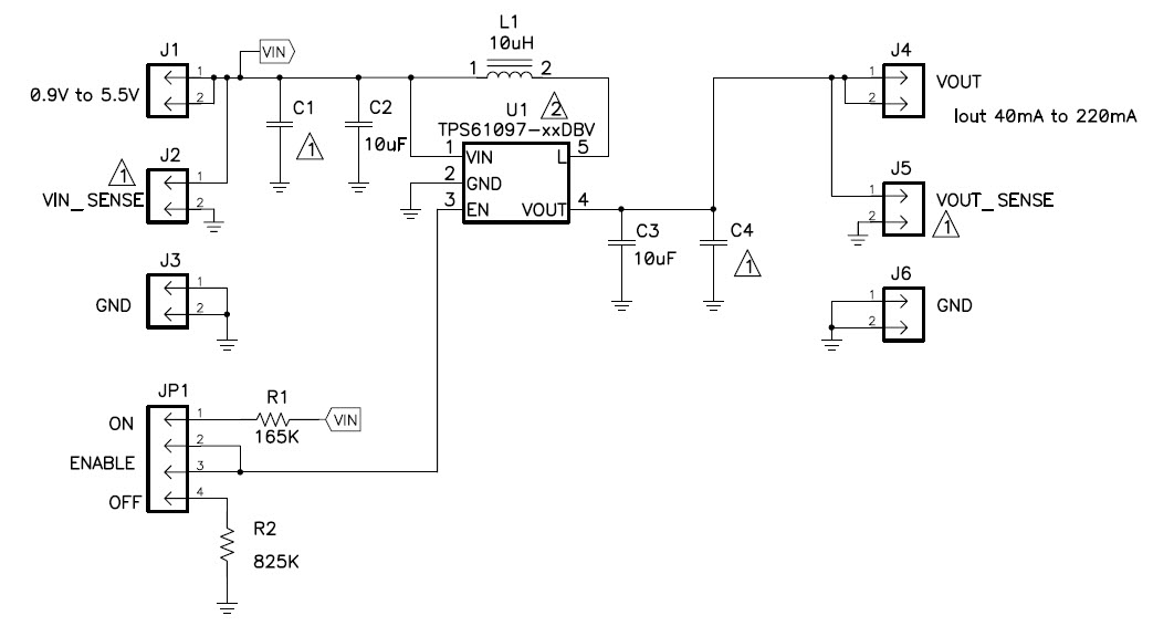
ADP1607-001-EVALZADP1607-001-EVALZ, Evaluating Board for the ADP1607, 2-MHz, Synchronous Boost, DC to DC Converter |
Analog Devices | Power Supplies | Portable, Instrumentation and Measurement, Power Supplies, Medical and Healthcare, Portable Audio, Solar Cell, High-Power LED | |||
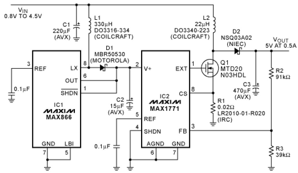
AN414 |
Analog Devices | Battery Management | Solar Cell | |||
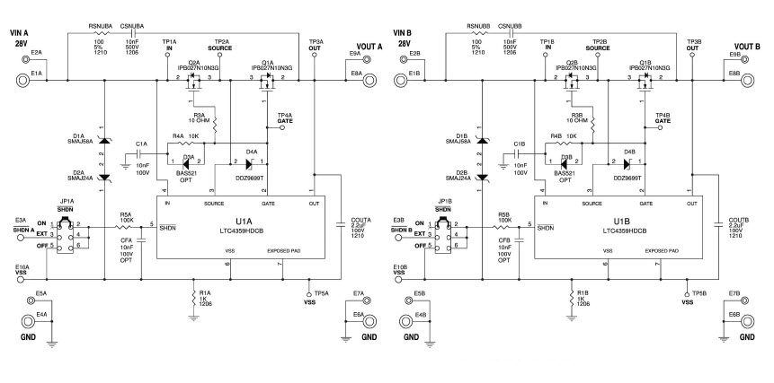
DC1676A |
Analog Devices | Power Drivers | Automotive and Transportation, Power Supplies, Servers, Computers and Peripherals, Telecom Infrastructure, Solar Cell | |||
ADP1607-EVALZADP1607-EVALZ, Evaluating Board for the ADP1607, 2-MHz, Synchronous Boost, DC to DC Converter |
Analog Devices | Power Supplies | Portable, Instrumentation and Measurement, Power Supplies, Medical and Healthcare, Portable Audio, Solar Cell, High-Power LED | |||
LTC3114-1_Typical Application |
Analog Devices | Power Supplies | Solar Cell, DC to DC Regulator, Automotive Power Supply, Industrial Power Supply, High-Power LED Driver | |||
DN73 |
Diodes Incorporated | Lighting | LED Lighting, Flashlight, Solar Cell, High-Brightness LED Driver | |||
MCP16252_Typical Application |
Microchip Technology | Power Supplies | Smart Phone, Digital Camera, MP3 Player, Remote Control, Wireless Sensor, Bluetooth Headset, Solar Cell, Distributed Power System, Portable Instrumentation, Health Wellness & Fitness, OLED Bias, Battery-Powered Applications | |||
MCP16252_Typical Application |
Microchip Technology | Power Supplies | Smart Phone, Digital Camera, MP3 Player, Remote Control, Wireless Sensor, Bluetooth Headset, Solar Cell, Distributed Power System, Portable Instrumentation, Health Wellness & Fitness, OLED Bias, Battery-Powered Applications | |||
MCP16251_Typical Application |
Microchip Technology | Power Supplies | Smart Phone, Digital Camera, MP3 Player, Remote Control, Wireless Sensor, Bluetooth Headset, Solar Cell, Distributed Power System, Portable Instrumentation, Health Wellness & Fitness, OLED Bias, Battery-Powered Applications | |||
MCP16251_Typical Application |
Microchip Technology | Power Supplies | Smart Phone, Digital Camera, MP3 Player, Remote Control, Wireless Sensor, Bluetooth Headset, Solar Cell, Distributed Power System, Portable Instrumentation, Health Wellness & Fitness, OLED Bias, Battery-Powered Applications | |||
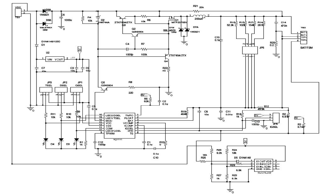
AN10936 |
NXP Semiconductors | Battery Management | Solar Cell | |||