过滤器
| 说明 | 依据发布人 | 依据应用 | 依据最终产品 | |||
|---|---|---|---|---|---|---|
LTC1380_Typical Application |
Analog Devices | Switches | Laptop, Data Acquisition System, Rf/If Analog Multiplexer, Analog-to-Digital Converter, Process Control | |||
ADL5801-EVALZADL5801-EVALZ, Evaluation Board based on ADL5801 10 MHz to 6 GHz Active Mixer |
Analog Devices | Switches | Cell Basestation, Radio-Link Infrastructures, Rf/If Analog Multiplexer, Portable Instrumentation, CATV Applications | |||
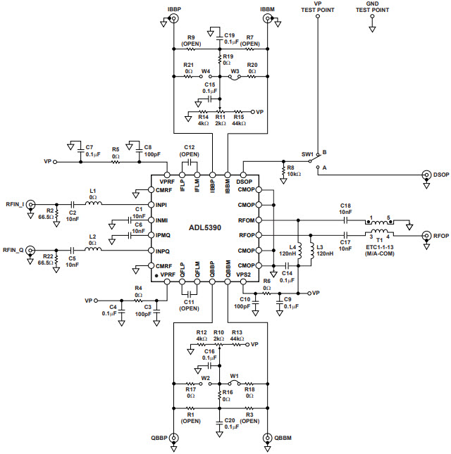
ADL5390-EVALZADL5390-EVALZ, Evaluation Board based on ADL5390 20 MHz to 2.4 GHz RF/IF Vector Multiplier |
Analog Devices | Switches | Cell Basestation, Radio-Link Infrastructures, Rf/If Analog Multiplexer, CATV Applications | |||
ADL5390-EVALADL5390-EVAL, Evaluation Board based on ADL5390 20 MHz to 2.4 GHz RF/IF Vector Multiplier |
Analog Devices | Switches | Cell Basestation, Radio-Link Infrastructures, Rf/If Analog Multiplexer, CATV Applications | |||
LTC1393_Typical Application |
Analog Devices | Switches | Laptop, Data Acquisition System, Rf/If Analog Multiplexer, Analog-to-Digital Converter, Process Control | |||