过滤器
| 说明 | 依据发布人 | 依据应用 | 依据最终产品 | |||
|---|---|---|---|---|---|---|
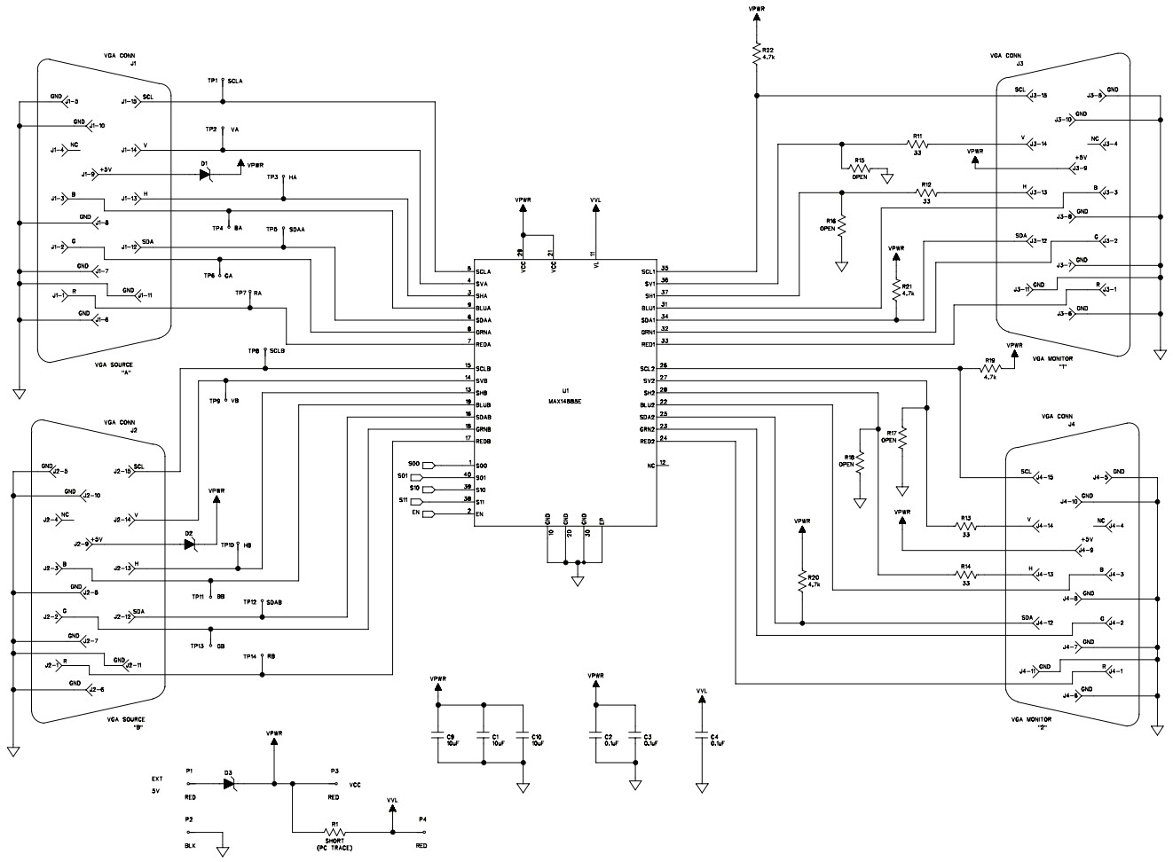
MAX14885EEVKIT+ |
Analog Devices | Switches | Test Equipment, Ultrasound Imaging, Piezoelectric Speaker Driver, Flaw Detection | |||
TB2143FLG_Typical ApplicationTypical Application for TB2143FLG BTL Power Amplifier for Piezo Speaker Drive |
Toshiba | Audio | Piezoelectric Speaker Driver | |||
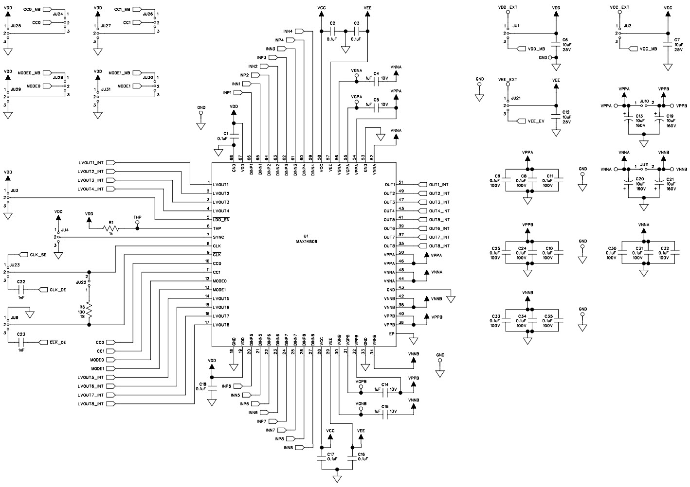
MAX14808EVKIT#MAX14808EVKIT#, Evaluation Kit for the MAX14808 High-Voltage 2A Digital Pulser |
Analog Devices | Signal Generation | Test Equipment, Ultrasound Imaging, Piezoelectric Speaker Driver, Flaw Detection | |||
HV7355DB1HV7355DB1, 150V, 1.5A, Unipolar Ultrasound Pulser Demo Board |
Microchip Technology | Signal Generation | Ultrasound Imaging, Pulse Generators, Piezoelectric Speaker Driver | |||
HV7350DB1HV7350DB1, Eight Channel ±60V, ±1A, Ultrasound Pulser Demo Board |
Microchip Technology | Signal Generation | Ultrasound Imaging, Pulse Generators, Piezoelectric Speaker Driver | |||
HV254DB1 |
Microchip Technology | Amplifiers and Comparators | Microelectromechanical System, Piezoelectric Speaker Driver, Optical Switch | |||
HV257DB1HV257DB1, High Voltage Sample and Hold Array Demo Board based on HV257 |
Microchip Technology | Amplifiers and Comparators | Microelectromechanical System, Piezoelectric Speaker Driver, Optical Switch | |||
HV7361DB1HV7361DB1, Three Level, High Speed ±100V 3.0A Pulser Demo Board |
Microchip Technology | Signal Generation | Ultrasound Imaging, Pulse Generators, Piezoelectric Speaker Driver | |||