110W, 8V, 15V, 28V, 120V AC to DC Multi-Output Power Supply for Adaptor AC to DC Supply
使用 onsemi 的 MC44603P 的参考设计
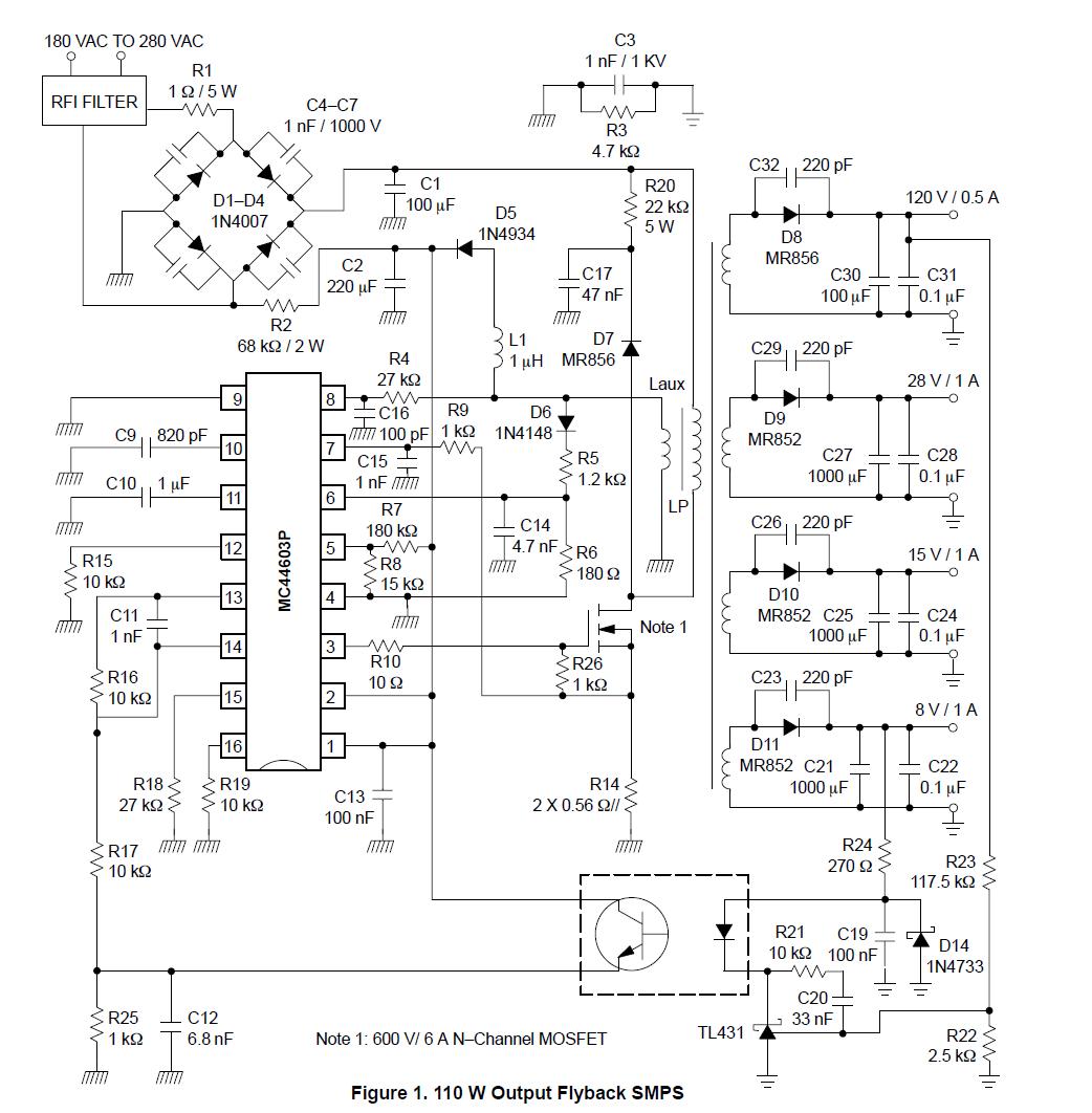
Image
1 / 1
依据最终产品
- Adaptor AC to DC Supply
说明
- MC44603P, 110 W output flyback SMPS. That provide multi output from 180 to 280Vac input voltage
主要特色
-
Conversion TypeAC to DC
-
Input Voltage180 to 280 (AC) V
-
Output Voltage8|15|28|120 V
-
Output Current0.5@120V|1@8V|1@15V|1@28V A
-
Output Power110 W
-
TopologyFlyback
Featured Parts (15)
| 零件编号 | 供应商 | 类别 | 说明 | |||
|---|---|---|---|---|---|---|
|
|
TL431CDR2G | onsemi | Voltage References | V-Ref Adjustable 2.495V to 36V 100mA 8-Pin SOIC N T/R | 买入 | |
|
|
TL431CLPG | onsemi | Voltage References | V-Ref Adjustable 2.495V to 36V 100mA 3-Pin TO-92 Bag | 买入 | |
|
|
TL431BVDR2G | onsemi | Voltage References | V-Ref Adjustable 2.495V to 36V 100mA 8-Pin SOIC N T/R | 买入 | |
|
|
TL431ILPRAG | onsemi | Voltage References | V-Ref Adjustable 2.495V to 36V 100mA 3-Pin TO-92 T/R | 买入 | |
|
|
TL431BCDR2G | onsemi | Voltage References | V-Ref Adjustable 2.495V to 36V 100mA 8-Pin SOIC N T/R | 买入 | |
|
|
TL431AIDR2G | onsemi | Voltage References | V-Ref Adjustable 2.495V to 36V 100mA 8-Pin SOIC N T/R | 买入 | |
|
|
TL431ACDR2G | onsemi | Voltage References | V-Ref Adjustable 2.495V to 36V 100mA 8-Pin SOIC N T/R | 买入 | |
|
|
TL431ACLPRAG | onsemi | Voltage References | V-Ref Adjustable 2.495V to 36V 100mA 3-Pin TO-92 T/R | 买入 | |
|
|
TL431AIDG | onsemi | Voltage References | V-Ref Adjustable 2.495V to 36V 100mA 8-Pin SOIC N Tube | 买入 | |
|
|
TL431BIDR2G | onsemi | Voltage References | V-Ref Adjustable 2.495V to 36V 100mA 8-Pin SOIC N T/R | 买入 | |
|
|
TL431AILPG | onsemi | Voltage References | V-Ref Adjustable 2.495V to 36V 100mA 3-Pin TO-92 Bag | 买入 | |
|
|
TL431BILPRAG | onsemi | Voltage References | V-Ref Adjustable 2.495V to 36V 100mA 3-Pin TO-92 T/R | 买入 | |