Filters
| Description | Released By | For Application | For End Products | |||
|---|---|---|---|---|---|---|
EVAL-AD9874EB |
Analog Devices | Data Conversion | Portable, Wireless Base Station, Internet Radio Player | |||
SLYT37212V DC to DC Single Output Power Supply for Communications/Telecom |
Texas Instruments | Power Supplies | Industrial, Communications and Telecom, Digital Camera, Lighting, DSL Modem, Digital Radio, HVAC, Internet Radio Player, Distributed Control System, Power Line Communication, Surveillance Camera, Air Conditioning, Endoscope, Digital Multimeter, Digital Picture Frame, Power Substation, Microwave Oven, CPAP Machine, Power Quality Meter, Currency Counter, Scanners, Printers | |||
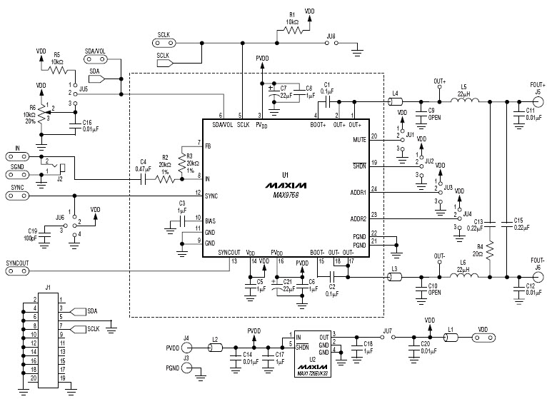
MAX9768EVKIT+ |
Analog Devices | Audio | Notebook, Laptop, GPS Navigation, Flat Panel Display, Internet Radio Player | |||
AN1017 |
Microchip Technology | Interface | Set-Top Box, MP3 Player, Desktop PC, Wireless LAN, DSL Modem, Internet Radio Player, DSL Line Card | |||
WF111_Typical Application |
Silicon Labs | Wireless Communication | Internet Radio Player, RFID Reader, Portable Navigation System, Digital Picture Frame, POS Terminals, Handheld Electronics, Medical Sensors, Laser Scanner, Wireless Camera | |||
WF111_Typical Application |
Silicon Labs | Wireless Communication | Internet Radio Player, RFID Reader, Portable Navigation System, Digital Picture Frame, POS Terminals, Handheld Electronics, Medical Sensors, Laser Scanner, Wireless Camera | |||
TPA2026D2EVM1.7W, 2-Channel, Class-D Audio Power Amplifier for Cellular Phone |
Texas Instruments | Audio | Cellular Phone, Personal Digital Assistant, Notebook, Laptop, DVD Player, Gaming and Toys, Internet Radio Player, PC USB Speaker | |||
SNAA026A1-Channel, Class-AB Audio Power Amplifier for Cellular Phone |
Texas Instruments | Audio | Cellular Phone, Personal Digital Assistant, Smart Phone, DVD Player, Digital Camcorder, Internet Radio Player, Digital Still Camera (DSC) | |||
TPA2028D1YZFEVMTPA2028D1YZFEVM, Mono, filter-free Class-D audio power amplifier with automatic gain control (AGC) |
Texas Instruments | Audio | Cellular Phone, Personal Digital Assistant, Notebook, Laptop, DVD Player, Gaming and Toys, Internet Radio Player, PC USB Speaker | |||
BQ24010EVM |
Texas Instruments | Battery Management | Personal Digital Assistant, Smart Phone, Digital Camera, MP3 Player, Internet Radio Player | |||
TPS65023BEVM-664 |
Texas Instruments | Battery Management | Cellular Phone, Personal Digital Assistant, Smart Phone, Processor Power Management, Internet Radio Player, Digital Still Camera (DSC) | |||
SLVA200 |
Texas Instruments | Power Supplies | Wireless, Remote Control, Pager, Internet Radio Player, Diagnostic Imaging | |||
TPS61016EVM-157TPS61016EVM-157, Evaluation Board for the TPS61016 High- Efficiency Boost converter |
Texas Instruments | Power Supplies | Portable Medical Instrumentation, Remote Control, Pager, Wireless Headset, Internet Radio Player | |||
TPS650231EVM-6641.2/1.6, 1.8/3.3, 2.8, 3.3V, 1-Cell, Lithium-Ion, Lithium-Polymer Battery Charger for Cellular Phone |
Texas Instruments | Battery Management | Cellular Phone, Personal Digital Assistant, Smart Phone, Processor Power Management, Internet Radio Player, Digital Still Camera (DSC) | |||
TPA2012D2 EVM1.2W, 2-Channel, Class-D Audio Power Amplifier for Cellular Phone |
Texas Instruments | Audio | Cellular Phone, Personal Digital Assistant, Notebook, Laptop, DVD Player, Gaming and Toys, Internet Radio Player, PC USB Speaker | |||
BQ26100EVMBQ26100EVM provides a method to authenticate battery packs and other peripherals |
Texas Instruments | Battery Management | Cellular Phone, Personal Digital Assistant, Smart Phone, Digital Camera, MP3 Player, Internet Radio Player | |||
BQ24007EVM4.1, 4.2V, 1-Cell, Lithium-Ion Battery Charger for Digital Camera |
Texas Instruments | Battery Management | Personal Digital Assistant, Digital Camera, MP3 Player, Internet Radio Player | |||
TPA2016D2EVMTPA2016D2EVM, Stereo, filter-free Class-D audio power amplifier with automatic gain control (AGC) |
Texas Instruments | Audio | Cellular Phone, Personal Digital Assistant, Notebook, Laptop, DVD Player, Gaming and Toys, Internet Radio Player, PC USB Speaker | |||
TPS61015EVM-157TPS61015EVM-157, Evaluation Board for the TPS61015 High-Efficiency Boost converter |
Texas Instruments | Power Supplies | Portable Medical Instrumentation, Remote Control, Pager, Wireless Headset, Internet Radio Player | |||
SLYT38012V DC to DC Single Output Power Supply for Communications/Telecom |
Texas Instruments | Power Supplies | Communications and Telecom, Digital Camera, Lighting, DSL Modem, Digital Radio, HVAC, Internet Radio Player, Distributed Control System, Power Line Communication, Surveillance Camera, Air Conditioning, Endoscope, Digital Multimeter, Digital Picture Frame, Power Substation, Camera: Surveillance Analog, Microwave Oven, CPAP Machine, Power Quality Meter, Currency Counter, Scanners, Industrial Programmable Logic Controllers (PLCs), Printers | |||