Arrow Electronic Components Online

Comment les contrôleurs de bâtiment 10BASE-T1L permettent des systèmes de gestion de bâtiments durables

Protocoles et réseaux04 avr. 2024
Un ingénieur portant un casque de sécurité utilise une tablette dans une salle de contrôle high-tech. Plusieurs moniteurs d'ordinateur affichent des données, tandis que des icônes numériques comme une ampoule et des outils sont superposées, suggérant l'innovation et la technologie. Le texte 'ANALOG DEVICES' et 'AHEAD OF WHAT'S POSSIBLE' est clairement visible dans le coin supérieur droit.
Voir tous les articles

Voitures électriques, énergies vertes, électronique grand public — ces trois applications (et bien d'autres) sont révolutionnées par de nouvelles technologies. Le monde bâti (maisons, usines, bureaux, entreprises, etc.) accuse un certain retard en comparaison. Cet article explore comment les contrôleurs de bâtiment basés sur 10BASE-T1L de Analog Devices commencent à aider les opérateurs à atteindre de nouveaux objectifs de durabilité et d'efficacité.

Les gestionnaires de bâtiments recherchent des technologies leur permettant d'atteindre leurs objectifs en matière de durabilité et d'efficacité énergétique en exploitant les données opérationnelles pour optimiser des systèmes tels que le chauffage, la ventilation, la climatisation (CVC) et l'éclairage. Pour exploiter pleinement la valeur de ces données, des systèmes avancés de connectivité et de contrôle seront essentiels. Cet article met en lumière les avantages de l'utilisation de contrôleurs numériques directs (DDC) Ethernet, également appelés contrôleurs de bâtiments, dans les systèmes de gestion technique des bâtiments (GTB) et explique comment le protocole 10BASE-T1L peut s'intégrer dans une architecture GTB typique.

Avec son débit de 10 Mbps, son support pour diverses topologies et son alimentation sur un câble à paire torsadée unique, le 10BASE-T1L offre une connectivité Ethernet transparente aux contrôleurs DDC et aux nœuds périphériques dans des configurations réseau point à point, en anneau et en ligne. Il offre un contrôle en temps réel et surmonte les limitations des protocoles précédents tout en prenant en charge pratiquement un nombre illimité de nœuds périphériques. Sa capacité à transmettre des données sur de longues distances jusqu'à 1 km en fait une solution idéale de modernisation pour les systèmes de gestion des bâtiments existants, car il peut réutiliser le câblage à paire torsadée unique déjà en place. Ses fonctionnalités éliminent le besoin de passerelles gourmandes en énergie, permettant une connectivité transparente du périphérique au cloud. Cela en fait une ressource précieuse pour ceux qui s'intéressent aux dernières technologies de gestion des bâtiments, en capturant de nouvelles perspectives sur le fonctionnement de leurs bâtiments et sur le potentiel d'optimisation de l'efficacité énergétique.

Les systèmes, les capteurs en périphérie intelligents et les actionneurs offrent des efficacités opérationnelles qui apportent des améliorations durables à long terme dans la gestion des bâtiments. Ces informations exploitables réduisent la consommation d'énergie, créent des environnements plus sûrs et augmentent le confort des occupants, conduisant à une productivité accrue et un avenir plus écologique.

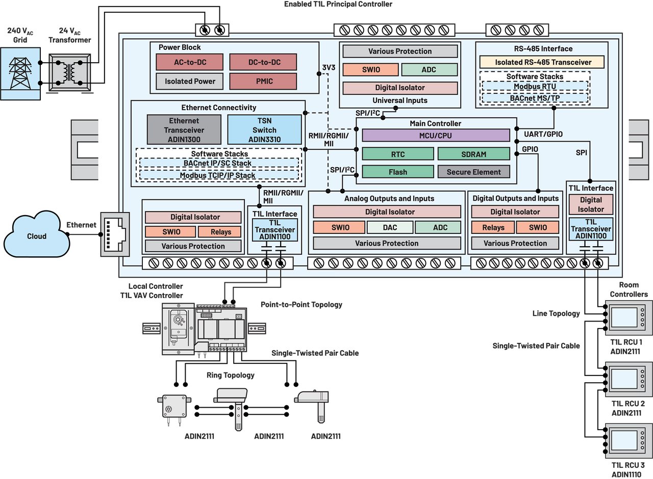
DDC activé par T1L

Les systèmes DDC sont essentiels pour la gestion moderne des bâtiments, permettant une surveillance et un contrôle en temps réel de divers systèmes de bâtiment. Avec l'avancée de la technologie, les systèmes DDC connectés par Ethernet deviendront de plus en plus répandus, améliorant ainsi l'efficacité et la sécurité des bâtiments. Les ADIN1100 PHY, ADIN1110 MAC PHY et ADIN2111 two-port switch de Analog Devices sont des solutions idéales pour ajouter le 10BASE-T1L à un système DDC. Cette technologie permet la transmission des valeurs de processus, des informations de configuration, des mises à jour logicielles et des diagnostics, facilitant ainsi la gestion et la maintenance des systèmes de bâtiment. Avec une longueur de câble allant jusqu'à 1 km, le 10BASE-T1L est équipé de fonctionnalités de diagnostic permettant une résolution rapide et efficace de toute défaillance du système.

L'intégration du 10BASE-T1L avec des piles logicielles telles que Modbus IP et BACnet IP offre une solution complète pour les systèmes d'automatisation industrielle, facilitant la collecte efficace des données, le contrôle des appareils et la surveillance des systèmes. La figure 1 met en évidence comment les produits 10BASE-T1L peuvent être incorporés dans les contrôleurs CVC et les contrôleurs de pièce pour communiquer avec plusieurs contrôleurs de pièce ou de bâtiment dans une topologie en anneau ou en ligne.

Pour acquérir une compréhension approfondie et une exploration détaillée des contrôleurs de bâtiment connectés via Ethernet et de la technologie ADI, nous vous recommandons de regarder cette vidéo éducative. Cette vidéo fournit des informations précieuses et des perspectives sur les dernières avancées et évolutions dans ce domaine.

Application : Contrôleur VAV activé T1L dans un système HVAC

Définition VAV

Un système à volume d'air variable (VAV) est un dispositif/contrôleur CVC courant utilisé dans les immeubles de bureaux modernes, avec plusieurs systèmes souvent installés dans différentes zones/aires pour maintenir des niveaux de température confortables. Il permet à différentes zones de fonctionner à des températures différentes en utilisant le même système de ventilation, en faisant varier le volume d'air fourni tout en maintenant une température constante. Pour garantir une ventilation adéquate, les systèmes VAV utilisent une programmation DDC, qui calcule et commande les ajustements nécessaires des registres.

Les contrôleurs de zone VAV programmables modernes incluent un actionneur intégré et maintiennent la température de la zone en actionnant le ventilateur terminal et en régulant le flux d'air conditionné dans l'espace. Ils offrent des fonctions de contrôle dédiées pour les terminaux à conduits simples, les boîtes à ventilateur parallèle et les boîtes à ventilateur en série avec chauffage modulant. Le contrôleur est composé de deux blocs principaux : l'actionneur de registre et un DDC programmable intégré. Il prend également en charge l'interface de différents capteurs nécessaires pour ajuster correctement le volume et surveiller la qualité de l'air dans les applications VAV. Le contrôleur de zone VAV programmable peut mesurer et afficher la température de la zone, détecter la présence, mesurer la température du conduit, mesurer les températures de l'air soufflé, mesurer l'humidité de la zone et déterminer le point de rosée, détecter les niveaux de CO2, et contrôler la vitesse du ventilateur de la boîte AV. L'utilisation de contrôleurs 10BASE-T1L dans de grands bâtiments tels que les aéroports peut offrir une efficacité énergétique optimale et une qualité de l'air intérieur tout en réduisant les coûts de maintenance et d'exploitation.

This image displays a detailed block diagram of an industrial IoT gateway controller. The diagram highlights various modules such as power block, Ethernet connectivity, analog and digital inputs/outputs, and main controller with RTC, SRAM, and Flash. It also shows interfaces like RS-485, TTL, and cloud connectivity, with visible technical terms and pathways. The layout is technical and schematic, with clear labeling of each functional block.

Un contrôleur de bâtiment compatible T1L

Figure 1

Exemple de cas d'utilisation dans les grands bâtiments

Pour cette application, nous nous concentrerons sur une zone spécifique dans un aéroport, comme illustré dans la Figure 2. Cependant, il est important de noter que le système VAV et les algorithmes de contrôle décrits ici peuvent également être appliqués à d'autres grands bâtiments. Cette zone comporte deux pièces, et le système VAV utilise cinq capteurs et actionneurs positionnés à différents endroits sur le réseau de conduits de la même zone. Dans la première pièce, deux actionneurs (D1 et D2), un capteur de température (S1) et un capteur de pression (S2) sont utilisés. S1 et S2 se trouvent dans le conduit d'air de soufflage près du terminal, et ils utilisent D2 comme clapet d'extraction d'air et D1 comme clapet d'air frais pour contrôler le flux d'air de la pièce.

De même, dans la deuxième pièce, le même nombre de capteurs et d'actionneurs (D3, D4, S3, S4) est utilisé, mais en raison de la charge supplémentaire dans la pièce, un capteur de CO2 (S5) et un actionneur supplémentaire (D5) sont ajoutés dans le conduit d'air de retour pour offrir un meilleur contrôle du débit d'air et de la qualité. L'unité de contrôle VAV utilise des algorithmes de boucle de contrôle pour surveiller et contrôler les capteurs et les actionneurs. Elle module la position du registre en fonction des lectures des capteurs de température et de pression, puis agit en fonction de sa programmation. Par exemple, si la température change dans la première pièce, l'unité VAV commencera à ouvrir et fermer les registres D1 et D2, provoquant un changement de pression dans le conduit d'air d'alimentation, qui peut être détecté à l'aide de S2. Si la pression augmente, l'unité VAV remarquera ce changement et ralentira le ventilateur situé dans l'unité de traitement de l'air (AHU).

Tous les capteurs sont connectés en topologie en ligne et positionnés à différents endroits du réseau de conduits. Chaque registre est directement connecté à l'unité VAV en utilisant une topologie point à point. L'infrastructure existante est fortement limitée en raison des restrictions liées à la longueur des câbles, à l'impédance, à l'épaisseur et, surtout, à la résistance de boucle DC du système. Cependant, pour résoudre ces problèmes, des contrôleurs DDC 10BASE-T1L peuvent être utilisés pour assurer un contrôle en temps réel du réseau de capteurs et d'actionneurs sur 1 km en utilisant seulement une paire torsadée simple.

De plus, l'actionneur de dispositif d'ajustement 10BASE-T1L peut être configuré à distance pour affiner le temps de fonctionnement et la position du registre à un point de consigne minimal. Il peut également être utilisé pour évaluer le registre en cas de défaillance. Le système VAV est un outil puissant pour maintenir un environnement confortable dans les grands bâtiments tels que les aéroports. En utilisant des capteurs et des actionneurs positionnés à différents endroits, l'unité VAV peut moduler le débit d'air et la qualité pour maintenir une température et une pression constantes. Avec l'aide de technologies avancées comme les contrôleurs DDC 10BASE-T1L, le système HVAC peut être contrôlé et maintenu tout en fournissant des économies d'énergie précieuses pour une efficacité améliorée.

a detailed wiring diagram for an HVAC control system, featuring a central control unit, pressure sensor, and multiple room dampers. The diagram includes labeled connections for sensors, switches, and dampers in three rooms, with clear numeric identifiers such as S1, S2, S3, S4, S5, D1, D2, D3, D4, and D5. Visual elements include wiring paths, device icons, and a human figure for scale.

Un contrôleur VAV compatible T1L

Figure 2

Conclusion

Ajouter 10BASE-T1L au contrôleur de bâtiment supprime le besoin de passerelles complexes et gourmandes en énergie et améliore le BMS en offrant un contrôle en temps réel des capteurs et des actionneurs sur de longues distances à l'aide d'un câble à paire torsadée unique. Les contrôleurs de bâtiment peuvent atteindre une portée plus longue avec un nombre pratiquement illimité de dispositifs périphériques en fonction des performances et des exigences du réseau. Les contrôleurs de bâtiment compatibles 10BASE-T1L sont également capables de surveiller les pannes du réseau et d'identifier les problèmes de câblage grâce aux fonctionnalités de détection de défauts et de diagnostics de câbles.

Étiquettes d'article

Analog Devices
Protocoles et réseaux
Solutions de construction
PHY
Contrôleurs
Communication

Articles d'actualités connexes

Afficher tout