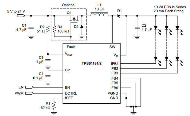
Typical Application for TPS61180 Three Strings WLED Driver for Notebook Display

Using Part

Fabricant

Texas Instruments
  • Catégorie d'application
    Éclairage
  • Type de produit
    Pilote de DEL blanche

Pour les produits finaux

  • LCD Backlighting
  • Notebook Panels
  • Ultra Mobile PC

Description

  • Typical Application for TPS61180 Three Strings WLED Driver for Notebook Display. The TPS6118x provide a highly integrated solutions for media size LCD backlight. These devices have a built-in high efficiency boost regulator with integrated 1.5A/40V power MOSFET. The six current sink regulators provide high precision current regulation and matching. In total, the device can support up to 60 WLED

Caractéristiques principales

  • Input Voltage
    5 to 24 V
  • Output Voltage
    40 V
  • Output Current
    0.02 A
  • Number of Derived Elements
    10

Nous avons mis à jour notre politique de confidentialité. Prenez un moment pour lire les changements. En cliquant sur "J'accepte", vous acceptez la clause de confidentialité d'Arrow Electronics ainsi que les conditions d'utilisation.

Notre site Internet place des cookies sur votre appareil pour améliorer votre expérience et pour améliorer notre site. Pour en savoir plus sur les cookies que nous utilisons et la façon de les désactiver, cliquez ici. Des cookies et des technologies de suivi peuvent être utilisés à des fins de marketing. En cliquant sur « Accepter », vous consentez au placement de cookies sur votre appareil et à notre utilisation de technologies de suivi. Cliquez sur « En savoir plus » pour de plus amples informations et instructions sur la façon de désactiver les cookies et les technologies de suivi. Même si l'acceptation des cookies et technologies de suivi est volontaire, leur désactivation peut entraîner un mauvais fonctionnement du site Internet et certaines publicités peuvent être moins pertinentes pour vous. Nous respectons votre confidentialité. Lisez notre politique de confidentialité ici.