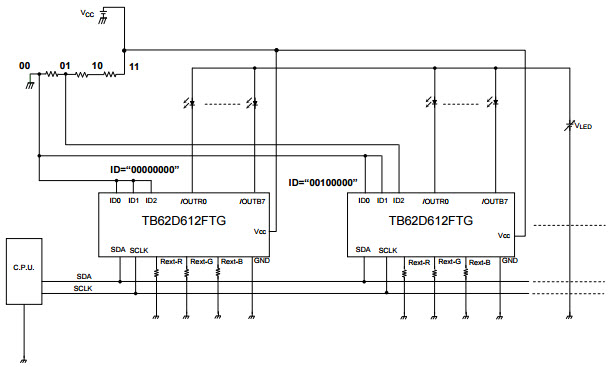
Typical Application for TB62D612FTG 24-Channel Constant-Current LED Driver of the 3.3V or 5V Power Supply Voltage Operation

Using Part

Fabricant

Toshiba
  • Catégorie d'application
    Éclairage
  • Type de produit
    Pilote général des DEL

Pour les produits finaux

  • LED Display

Description

  • Typical Application for TB62D612FTG is a constant-current driver designed for LED and LED display lighting. This product incorporates 7-bit PWM dimming controllers and 24 channels of constant-current drivers. 24 channels constant-current drivers are divided into three blocks, and each block can be independently adjusted by the relevant external resistor

Nous avons mis à jour notre politique de confidentialité. Prenez un moment pour lire les changements. En cliquant sur "J'accepte", vous acceptez la clause de confidentialité d'Arrow Electronics ainsi que les conditions d'utilisation.

Notre site Internet place des cookies sur votre appareil pour améliorer votre expérience et pour améliorer notre site. Pour en savoir plus sur les cookies que nous utilisons et la façon de les désactiver, cliquez ici. Des cookies et des technologies de suivi peuvent être utilisés à des fins de marketing. En cliquant sur « Accepter », vous consentez au placement de cookies sur votre appareil et à notre utilisation de technologies de suivi. Cliquez sur « En savoir plus » pour de plus amples informations et instructions sur la façon de désactiver les cookies et les technologies de suivi. Même si l'acceptation des cookies et technologies de suivi est volontaire, leur désactivation peut entraîner un mauvais fonctionnement du site Internet et certaines publicités peuvent être moins pertinentes pour vous. Nous respectons votre confidentialité. Lisez notre politique de confidentialité ici.