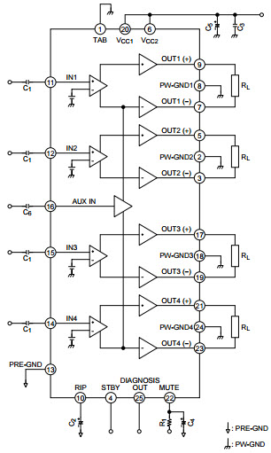
Typical Application for TA8266H Max Power 35W BTL x 4Ch Audio Power

Using Part

Fabricant

Toshiba
  • Catégorie d'application
    Audio
  • Type de produit
    Amplificateur de puissance audio

Pour les produits finaux

  • Car Audio

Description

  • Typical Application for TA8266H is 4 ch BTL audio power amplifier for car audio application. This IC can generate more high power: Pout MAX = 35W as it is included the pure complementary PNP and NPN transistor output stage. It is designed low distortion ratio for 4 ch BTL audio power amplifier, built-in stand-by function, muting function and diagnosis circuit which can detect output to VCC/GND short and over voltage input mode

Nous avons mis à jour notre politique de confidentialité. Prenez un moment pour lire les changements. En cliquant sur "J'accepte", vous acceptez la clause de confidentialité d'Arrow Electronics ainsi que les conditions d'utilisation.

Notre site Internet place des cookies sur votre appareil pour améliorer votre expérience et pour améliorer notre site. Pour en savoir plus sur les cookies que nous utilisons et la façon de les désactiver, cliquez ici. Des cookies et des technologies de suivi peuvent être utilisés à des fins de marketing. En cliquant sur « Accepter », vous consentez au placement de cookies sur votre appareil et à notre utilisation de technologies de suivi. Cliquez sur « En savoir plus » pour de plus amples informations et instructions sur la façon de désactiver les cookies et les technologies de suivi. Même si l'acceptation des cookies et technologies de suivi est volontaire, leur désactivation peut entraîner un mauvais fonctionnement du site Internet et certaines publicités peuvent être moins pertinentes pour vous. Nous respectons votre confidentialité. Lisez notre politique de confidentialité ici.