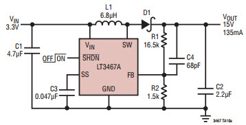
Typical Application for LT3467AIS67 3.3V to 15V, 135mA Step-Up Converter

Using Part

Fabricant

Analog Devices
  • Catégorie d'application
    Alimentations électriques
  • Type de produit
    Alimentations électriques à sortie unique CC à CC

Pour les produits finaux

  • Cellular Phone
  • Digital Camera
  • LCD Bias Supply
  • Local Logic Supplies
  • Medical Equipments
  • WLED Power Supply
  • xDSL Power Supply

Description

  • Typical Application for LT3467AIS67 3.3V to 15V, 135mA Step-Up Converter. The LT3467A is a switching regulator combine a 42V, 1.1A switch with a soft-start function. The LT3467A switches at 2.1MHz, allowing the use of even smaller components

Caractéristiques principales

  • Conversion Type
    DC to DC
  • Input Voltage
    3.3 V
  • Output Voltage
    15 V
  • Output Current
    0.135 A
  • Topology
    Boost

Nous avons mis à jour notre politique de confidentialité. Prenez un moment pour lire les changements. En cliquant sur "J'accepte", vous acceptez la clause de confidentialité d'Arrow Electronics ainsi que les conditions d'utilisation.

Notre site Internet place des cookies sur votre appareil pour améliorer votre expérience et pour améliorer notre site. Pour en savoir plus sur les cookies que nous utilisons et la façon de les désactiver, cliquez ici. Des cookies et des technologies de suivi peuvent être utilisés à des fins de marketing. En cliquant sur « Accepter », vous consentez au placement de cookies sur votre appareil et à notre utilisation de technologies de suivi. Cliquez sur « En savoir plus » pour de plus amples informations et instructions sur la façon de désactiver les cookies et les technologies de suivi. Même si l'acceptation des cookies et technologies de suivi est volontaire, leur désactivation peut entraîner un mauvais fonctionnement du site Internet et certaines publicités peuvent être moins pertinentes pour vous. Nous respectons votre confidentialité. Lisez notre politique de confidentialité ici.