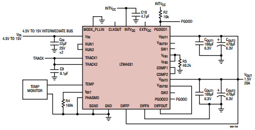
Typical Application Circuit for LTM4631IV 2-Phase, 1.5V at 20A Step-Down Regulator with Temperature Monitoring

Using Part

Fabricant

Analog Devices
  • Catégorie d'application
    Alimentations électriques
  • Type de produit
    Alimentations électriques à sortie unique CC à CC

Pour les produits finaux

  • Industrial Equipments
  • Networking
  • Storage System
  • Telecom Equipments

Description

  • Typical Application Circuit for LTM4631IV 2-Phase, 1.5V at 20A Step-Down Regulator with Temperature Monitoring. The LTM4631 is a dual 10A or single 20A output switching mode step-down DC/DC regulator. Included in the package are the switching controller, power FETs, inductors and all supporting components. Operating from an input voltage range of 4.5V to 15V, the LTM4631 supports two outputs each with an output voltage range of 0.6V to 1.8V, each set by a single external resistor

Caractéristiques principales

  • Conversion Type
    DC to DC
  • Input Voltage
    4.5 to 15 V
  • Output Voltage
    1.5 V
  • Output Current
    20 A
  • Topology
    Buck

Nous avons mis à jour notre politique de confidentialité. Prenez un moment pour lire les changements. En cliquant sur "J'accepte", vous acceptez la clause de confidentialité d'Arrow Electronics ainsi que les conditions d'utilisation.

Notre site Internet place des cookies sur votre appareil pour améliorer votre expérience et pour améliorer notre site. Pour en savoir plus sur les cookies que nous utilisons et la façon de les désactiver, cliquez ici. Des cookies et des technologies de suivi peuvent être utilisés à des fins de marketing. En cliquant sur « Accepter », vous consentez au placement de cookies sur votre appareil et à notre utilisation de technologies de suivi. Cliquez sur « En savoir plus » pour de plus amples informations et instructions sur la façon de désactiver les cookies et les technologies de suivi. Même si l'acceptation des cookies et technologies de suivi est volontaire, leur désactivation peut entraîner un mauvais fonctionnement du site Internet et certaines publicités peuvent être moins pertinentes pour vous. Nous respectons votre confidentialité. Lisez notre politique de confidentialité ici.