TIDC-CC2650-CC2592-EMK, SimpleLink CC2650 Wireless MCU and CC2592 Range Extender Reference Design with 122dB Link Budget
Using Part
Vignette
1 / 4
Documents connexes
- 122dBm Link Budget with CC2650 and CC2592 BOM
- 122dBm Link Budget with CC2650 and CC2592 PCB
- 122dBm Link Budget with CC2650 and CC2592 Test Results
- 122dBm Link Budget with CC2650 and CC2592 Assembly Drawing
- 122dBm Link Budget with CC2650 and CC2592 Gerber
- 122dBm Link Budget with CC2650 and CC2592 CAD Files
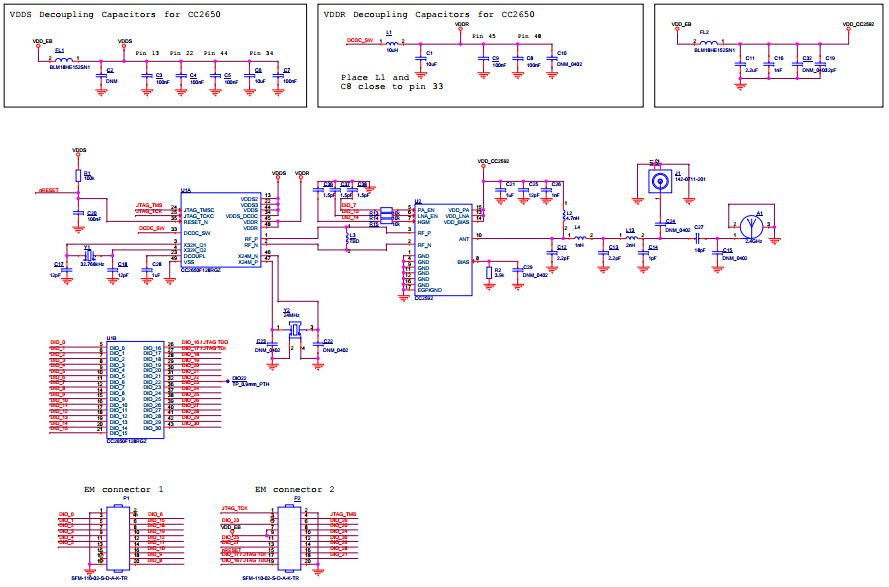
- 122dBm Link Budget with CC2650 and CC2592 Schematic
Pour les produits finaux
- Door & Window Sensor
- Gas and Water Meter
- Gas Meter
- Gateway Switch
- Lighting
- Smoke and Heat Detector
Description
- TIDC-CC2650-CC2592-EMK, SimpleLink CC2650 Wireless MCU and CC2592 Range Extender Reference Design with 122dB Link Budget. Internet of Things (IoT) applications such as home and industrial automation, lighting, metering and sensor networks could need a longer RF transmission range than the stand-alone SimpleLink ultra-low power wireless MCU family of devices offer. The CC2650-CC2592 reference design pairs SimpleLink multi-standard CC2650 wireless MCU with the CC2592 range extender to increase the total link budget to 122 dB, enabling significant increase in RF range
Pièces en vedette (9)
| Pièce numéro | Fabricant | Type | Description | |||
|---|---|---|---|---|---|---|
|
|
CC2650F128RGZT | Texas Instruments | Combo Wireless Modules | BT+ZigBee Module 2400MHz Medical 48-Pin VQFN EP T/R | Ajouter au panier | |
|
|
Q13FC1350000214 | Seiko Epson Corporation | Crystals | Crystal 0.032768MHz ±20ppm (Tol) 7pF FUND 70000Ohm 2-Pin CSMD T/R | Ajouter au panier | |
|
|
FC-135 32.768KA-AG0 | Seiko Epson Corporation | Crystals | Crystal 0.032768MHz ±20ppm (Tol) 7pF FUND 70000Ohm 2-Pin CSMD T/R | Ajouter au panier | |
|
|
X1E000021020212 | Seiko Epson Corporation | Crystals | Crystal 24MHz ±10ppm (Tol) ±15ppm (Stability) 9pF FUND 40Ohm 4-Pin Mini-CSMD T/R | Ajouter au panier | |
|
|
TSX-3225 24.0000MF15X-AC3 | Seiko Epson Corporation | Crystals | Crystal 24MHz ±10ppm (Tol) ±15ppm (Stability) 9pF FUND 40Ohm 4-Pin Mini-CSMD T/R | Ajouter au panier | |
|
|
TSX-3225 24.0000MF15X-AC3 | Seiko Epson Corporation | Crystals | Crystal 24MHz ±10ppm (Tol) ±15ppm (Stability) 9pF FUND 40Ohm 4-Pin Mini-CSMD T/R | Ajouter au panier | |
|
|
FC-135 32.7680KA-AG0 | Seiko Epson Corporation | Crystals | Crystal 0.032768MHz ±20ppm (Tol) 7pF FUND 70000Ohm 2-Pin CSMD T/R | Ajouter au panier | |
|
|
FC-135 32.7680KA-AG0 | Seiko Epson Corporation | Crystals | Crystal 0.032768MHz ±20ppm (Tol) 7pF FUND 70000Ohm 2-Pin CSMD T/R | Ajouter au panier | |
|
|
CC2592RGVT | Texas Instruments | RF Front End | LNA/PA RF Front End Range Extender 4.5dB 12dB 16-Pin VQFN EP T/R | Ajouter au panier | |