STEVAL-ISB041V1, Li-Ion/Li-Po Battery Power Management Evaluation Board based on STBC02

Using Part

Fabricant

STMicroelectronics
  • Catégorie d'application
    Gestion de batterie
  • Type de produit
    Chargeur de batterie

Pour les produits finaux

  • Fitness Equipment
  • Medical Equipments
  • Wearable Electronics

Description

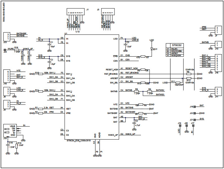
  • STEVAL-ISB041V1, Evaluation Board is based on STBC02 battery power management, integrating a linear charger for single-cell Li-Ion batteries with battery protection functions, an LDO regulator, two SPDT load switches and intelligent reset logic. The device uses a CC/CV algorithm to charge the battery, the fast-charge and pre-charge current can be programmed using an external resistor. The input supply voltage is used to charge the battery and provide power to the LDO regulator. When an appropriate input voltage is not present and the battery is not empty, the device automatically switches to battery power. The STEVAL-ISB041V1 can work in standalone mode and a single wire interface can be used to control the STBC02 for full operation. The STEVAL-ISB041V1 evaluation board provides full access to the STBC02 functions through header connectors and can be supplied via a micro-AB USB connector

Caractéristiques principales

  • Battery Type
    Lithium-Ion|Lithium-Polymer
  • Output Voltage
    5 V
  • Number of Battery Cells
    1

Nous avons mis à jour notre politique de confidentialité. Prenez un moment pour lire les changements. En cliquant sur "J'accepte", vous acceptez la clause de confidentialité d'Arrow Electronics ainsi que les conditions d'utilisation.

Notre site Internet place des cookies sur votre appareil pour améliorer votre expérience et pour améliorer notre site. Pour en savoir plus sur les cookies que nous utilisons et la façon de les désactiver, cliquez ici. Des cookies et des technologies de suivi peuvent être utilisés à des fins de marketing. En cliquant sur « Accepter », vous consentez au placement de cookies sur votre appareil et à notre utilisation de technologies de suivi. Cliquez sur « En savoir plus » pour de plus amples informations et instructions sur la façon de désactiver les cookies et les technologies de suivi. Même si l'acceptation des cookies et technologies de suivi est volontaire, leur désactivation peut entraîner un mauvais fonctionnement du site Internet et certaines publicités peuvent être moins pertinentes pour vous. Nous respectons votre confidentialité. Lisez notre politique de confidentialité ici.