PMP4435.3, 48Vin, 300W 1/8brick Digital Module with GaN FET Reference Design

Using Part

Fabricant

Texas Instruments
  • Catégorie d'application
    Alimentations électriques
  • Type de produit
    Alimentations électriques à sorties multiples CC à CC

Pour les produits finaux

  • Industrial
  • Telecom System

Description

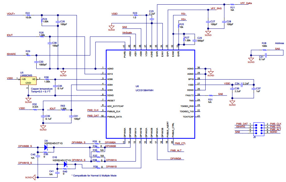
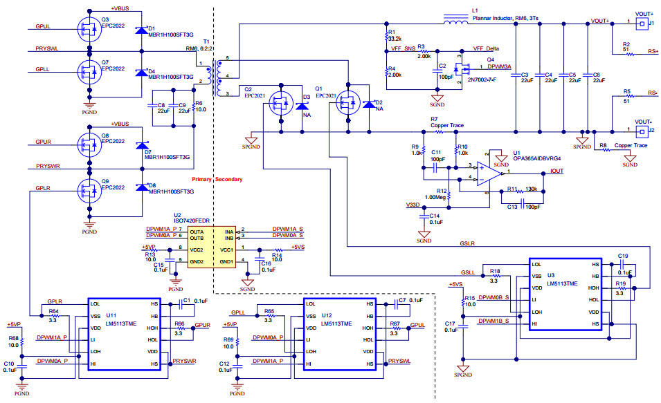
  • PMP4435.3, 48Vin, 300W 1/8brick Digital Module with GaN FET Reference Design. The PMP4435 is a DC-DC isolated digital module with GaN mosfet reference design targeted for industrial and telecom applications. The DC input range is 36V-60V, with 12V typical and the output is 12V/5A. An digital controller UCD3138A is used in the design. The efficiency is up to 95.8% with good thermal performance

Caractéristiques principales

  • Conversion Type
    DC to DC
  • Input Voltage
    36 to 60 V
  • Output Voltage
    10 V
  • Output Current
    0.25 A
  • Output Power
    2.5 W
  • Efficiency
    95.8 %
  • Topology
    Fly-Buck

Nous avons mis à jour notre politique de confidentialité. Prenez un moment pour lire les changements. En cliquant sur "J'accepte", vous acceptez la clause de confidentialité d'Arrow Electronics ainsi que les conditions d'utilisation.

Notre site Internet place des cookies sur votre appareil pour améliorer votre expérience et pour améliorer notre site. Pour en savoir plus sur les cookies que nous utilisons et la façon de les désactiver, cliquez ici. Des cookies et des technologies de suivi peuvent être utilisés à des fins de marketing. En cliquant sur « Accepter », vous consentez au placement de cookies sur votre appareil et à notre utilisation de technologies de suivi. Cliquez sur « En savoir plus » pour de plus amples informations et instructions sur la façon de désactiver les cookies et les technologies de suivi. Même si l'acceptation des cookies et technologies de suivi est volontaire, leur désactivation peut entraîner un mauvais fonctionnement du site Internet et certaines publicités peuvent être moins pertinentes pour vous. Nous respectons votre confidentialité. Lisez notre politique de confidentialité ici.