PC87310EB, Demo Board for PC87310 Dual UART with Floppy Disk Controller

Using Part

Fabricant

Texas Instruments
  • Catégorie d'application
    Communication câblée
  • Type de produit
    Modems

Pour les produits finaux

  • PC Peripherals

Description

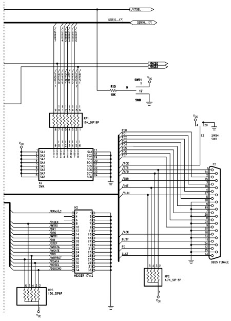
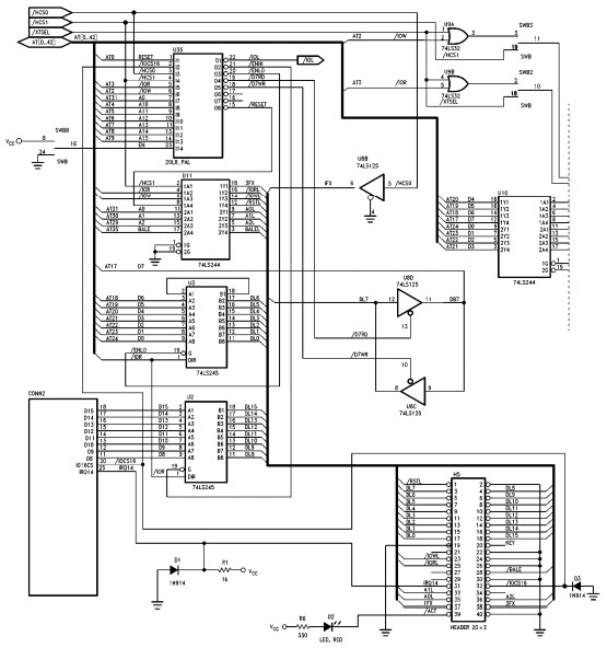
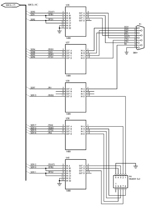
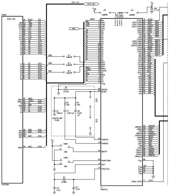
  • PC87310EB, Demo Board for PC87310 integrates two UARTs, a floppy disk controller with analog data separator, one parallel port, game port decode, hard disk controller decode and standard PC-XT/AT address decode into one single chip. This chip can be used in the PC-XT or AT application which typically implements these functions separately. By using the PC87310, it significantly reduces the total chip count of the system and increases the overall reliability compared to implementing the same functions with multiple controller chips and glue logic

Caractéristiques principales

  • Number of Channels
    2
  • Modulation Type
    PC-XT/AT

Nous avons mis à jour notre politique de confidentialité. Prenez un moment pour lire les changements. En cliquant sur "J'accepte", vous acceptez la clause de confidentialité d'Arrow Electronics ainsi que les conditions d'utilisation.

Notre site Internet place des cookies sur votre appareil pour améliorer votre expérience et pour améliorer notre site. Pour en savoir plus sur les cookies que nous utilisons et la façon de les désactiver, cliquez ici. Des cookies et des technologies de suivi peuvent être utilisés à des fins de marketing. En cliquant sur « Accepter », vous consentez au placement de cookies sur votre appareil et à notre utilisation de technologies de suivi. Cliquez sur « En savoir plus » pour de plus amples informations et instructions sur la façon de désactiver les cookies et les technologies de suivi. Même si l'acceptation des cookies et technologies de suivi est volontaire, leur désactivation peut entraîner un mauvais fonctionnement du site Internet et certaines publicités peuvent être moins pertinentes pour vous. Nous respectons votre confidentialité. Lisez notre politique de confidentialité ici.