P1021COME-DS-PB, P1021COME-DS-PB QorIQ Development System for P1021 QorIQ Microprocessor
Using Part
Vignette
1 / 59
Documents connexes
Pour les produits finaux
- Industrial Automation HMI
- Medical and Healthcare
- Military and Aerospace
- Networking
- Telecom Infrastructure
Description
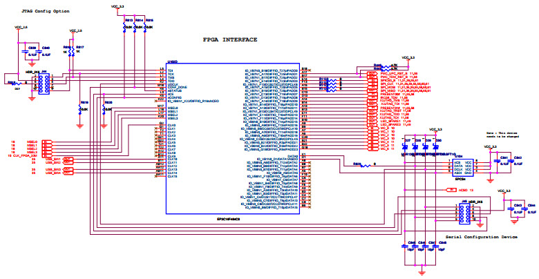
- P1021COME-DS-PB, P1021COME-DS-PB QorIQ Development System. The Freescale COM Express development systems provide an I/O-rich carrier blade with a personality that comes from the QorIQ processor embedded in a plug-in module based on the COM Express form factor. This module/carrier combination provides unparalleled development flexibility. The P1021COME-DS-PB development includes a production-ready P1021 COM Express module with all of its functionality available on the carrier card
Caractéristiques principales
-
Embedded System TypeSOM
-
Family NameQorIQ
-
Core Processore500
Pièces en vedette (112)
Pièce numéro | Fabricant | Type | Description | |||
---|---|---|---|---|---|---|
|
MAX7301ATL+T | Analog Devices | GPIO Expanders | I2C/SPI Interface 26000kHz 5.5V 40-Pin TQFN EP T/R | Ajouter au panier | |
|
MAX7301ATL+T | Analog Devices | GPIO Expanders | I2C/SPI Interface 26000kHz 5.5V 40-Pin TQFN EP T/R | Ajouter au panier | |
|
MAX7301ATL+ | Analog Devices | GPIO Expanders | I2C/SPI Interface 26000kHz 5.5V 40-Pin TQFN EP Tube | Ajouter au panier | |
|
TPS72525DCQRG4 | Texas Instruments | Linear Regulators | LDO Regulator Pos 2.5V 1A 6-Pin(5+Tab) SOT-223 T/R | Ajouter au panier | |
|
TPS72525KTTR | Texas Instruments | Linear Regulators | LDO Regulator Pos 2.5V 1A 6-Pin(5+Tab) DDPAK T/R | Ajouter au panier | |
|
MAX811TEUS+ | Analog Devices | Supervisory Circuits | Processor Supervisor 3.08V 1 Active Low/Push-Pull 4-Pin SOT-143 T/R | Ajouter au panier | |
|
DP83849IFVS | Texas Instruments | PHY | PHY 2-CH 10Mbps/100Mbps 3.3V 80-Pin TQFP Tray | Ajouter au panier | |
|
DP83849CVSX/NOPB | Texas Instruments | PHY | PHY 2-CH 10Mbps/100Mbps 3.3V 80-Pin TQFP T/R | Ajouter au panier | |
|
DP83849CVS | Texas Instruments | PHY | PHY 2-CH 10Mbps/100Mbps 3.3V 80-Pin TQFP Tray | Ajouter au panier | |
|
DP83849IVSX/NOPB | Texas Instruments | PHY | PHY 2-CH 10Mbps/100Mbps 3.3V 80-Pin TQFP T/R | Ajouter au panier | |
|
MC74AC04DG | onsemi | Inverters and Schmitt Triggers | Inverter 6-Element CMOS 14-Pin SOIC N Tube | Ajouter au panier | |
|
NC7SZ125L6X | onsemi | Buffers and Line Drivers | Buffer/Line Driver 1-CH Non-Inverting 3-ST CMOS 6-Pin MicroPak T/R | Ajouter au panier |