OM13080, LPCXpresso 1125 Development Board for ARM Cortex-M family of MCUs
Using Part
Vignette
1 / 6
Documents connexes
Pour les produits finaux
- Audio Processing
- Industrial Automation HMI
- Metering
- Motion Control
- Power Management
- White Goods
Description
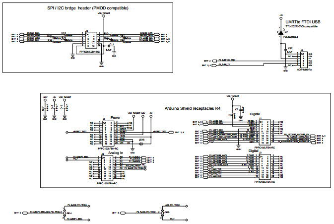
- OM13080, LPCXpresso family of boards provides a powerful and flexible development system for Cortex-M family of MCUs. They can be used with a wide range of development tools, including the LPCXpresso IDE. The LPCXpresso1125 board has been developed by NXP to enable evaluation of and prototyping with the LPC112x family of MCUs and is based on the LPC1125JBD48 version of the MCU. The LPCXpresso is a low-cost development platform, supporting ARM-based microcontrollers. The platform is comprised of a simplified Eclipse-based IDE and low-cost target boards which include an attached JTAG debugger
Caractéristiques principales
-
Embedded System TypeMCU
-
Family NameLPC
-
Core ProcessorARM Cortex-M0|ARM Cortex-M4
Pièces en vedette (8)
| Pièce numéro | Fabricant | Type | Description | |||
|---|---|---|---|---|---|---|
|
|
NX3L2267GU,115 | NXP Semiconductors | Analog Switch Multiplexers | Analog Switch Dual SPDT Automotive AEC-Q100 10-Pin XQFN T/R | Ajouter au panier | |
|
|
KMR221GLFS | C&K | Switch Tactile | Switch Tactile OFF Mom SPST Button Gull Wing 0.05A 32VDC 1VA 2N SMD T/R | Ajouter au panier | |
|
|
SN74AVC2T45DCTR | Texas Instruments | Level Translators | Voltage Level Translator 2-CH Bidirectional 8-Pin SSOP T/R | Ajouter au panier | |
|
|
Y78B22110FP | C&K | Switch Tactile | Switch Tactile OFF Mom SPST Button Gull Wing 0.05A 32VDC 1VA 2N SMD T/R | Ajouter au panier | |
|
|
KMR221G LFS | C&K | Switch Tactile | Switch Tactile OFF Mom SPST Button Gull Wing 0.05A 32VDC 1VA 2N SMD T/R | Ajouter au panier | |
|
|
ABLS2-12.000MHZ-D4Y-T | Abracon | Crystals | Crystal 12MHz ±30ppm (Tol) ±30ppm (Stability) 18pF FUND 50Ohm 2-Pin HC-49/US SMD T/R | Ajouter au panier | |
|
|
TLV70233DBVR | Texas Instruments | Linear Regulators | LDO Regulator Pos 3.3V 0.3A 5-Pin SOT-23 T/R | Ajouter au panier | |
|
|
LPC4322JET100 | NXP Semiconductors | Microcontrollers - MCUs | MCU 32-bit ARM Cortex M0/ARM Cortex M4 RISC 512KB Flash 3.3V 100-Pin TFBGA Tray | Ajouter au panier | |