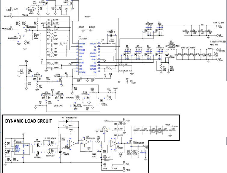
LTC3778EF Demo Board, High Efficiency Notebook CPU Power Supply, Ultra Low Voltage Tualatin, Vin = 7.5V - 24V, Vcore = 1.1V/13Amax + VID
Using Part
Vignette
1 / 1
Pour les produits finaux
- Backplane Distributed Power
- Battery Charger
- DDR Memory
- Laptop
- Notebook
- Personal Digital Assistant
Description
- Demonstration circuit DC389 is a step down controller featuring the LTC3778. It produces an output voltage suitable for Intel Mobile Tualatin, Low Voltage Tualatin and Ultra Low Voltage mobile processors
Caractéristiques principales
-
Conversion TypeDC to DC
-
Input Voltage7.5 to 24 V
-
Output Voltage1.1 V
-
Output Current13 A
-
Efficiency90 %
-
TopologyBuck
Pièces en vedette (11)
| Pièce numéro | Fabricant | Type | Description | |||
|---|---|---|---|---|---|---|
|
|
LT1361CS8 | Analog Devices | Operational Amplifiers - Op Amps | Op Amp Dual High Speed Amplifier ±18V 8-Pin SOIC N | Ajouter au panier | |
|
|
LT1361CS8#TR | Analog Devices | Operational Amplifiers - Op Amps | Op Amp Dual High Speed Amplifier ±18V 8-Pin SOIC N T/R | Ajouter au panier | |
|
|
LT1361CS8#PBF | Analog Devices | Operational Amplifiers - Op Amps | Op Amp Dual High Speed Amplifier ±18V 8-Pin SOIC N Tube | Ajouter au panier | |
|
|
LT1210CR#PBF | Analog Devices | Operational Amplifiers - Op Amps | Op Amp Single High Voltage Amplifier ±15V 8-Pin(7+Tab) DDPAK Tube | Ajouter au panier | |
|
|
TLC555CDR | Texas Instruments | Timers | Standard Timer Single 0°C 70°C 8-Pin SOIC T/R | Ajouter au panier | |
|
|
LT1210CR#TRPBF | Analog Devices | Operational Amplifiers - Op Amps | Op Amp Single High Voltage Amplifier ±15V 8-Pin(7+Tab) DDPAK T/R | Ajouter au panier | |
|
|
LT1210CR | Analog Devices | Operational Amplifiers - Op Amps | Op Amp Single Low Noise Amplifier ±15V 8-Pin(7+Tab) DDPAK | Ajouter au panier | |
|
|
LT1210CR#TR | Analog Devices | Operational Amplifiers - Op Amps | Op Amp Single Low Noise Amplifier ±15V 8-Pin(7+Tab) DDPAK T/R | Ajouter au panier | |
|
|
LT1361CS8#TRPBF | Analog Devices | Operational Amplifiers - Op Amps | Op Amp Dual High Speed Amplifier ±18V 8-Pin SOIC N T/R | Ajouter au panier | |
|
|
LTC3778EF#PBF | Analog Devices | DC to DC Controllers | DC/DC Cntrlr Single-OUT Step Down 20-Pin TSSOP Tube | Ajouter au panier | |
|
|
LTC3778EF#TRPBF | Analog Devices | DC to DC Controllers | DC/DC Cntrlr Single-OUT Step Down 20-Pin TSSOP T/R | Ajouter au panier | |