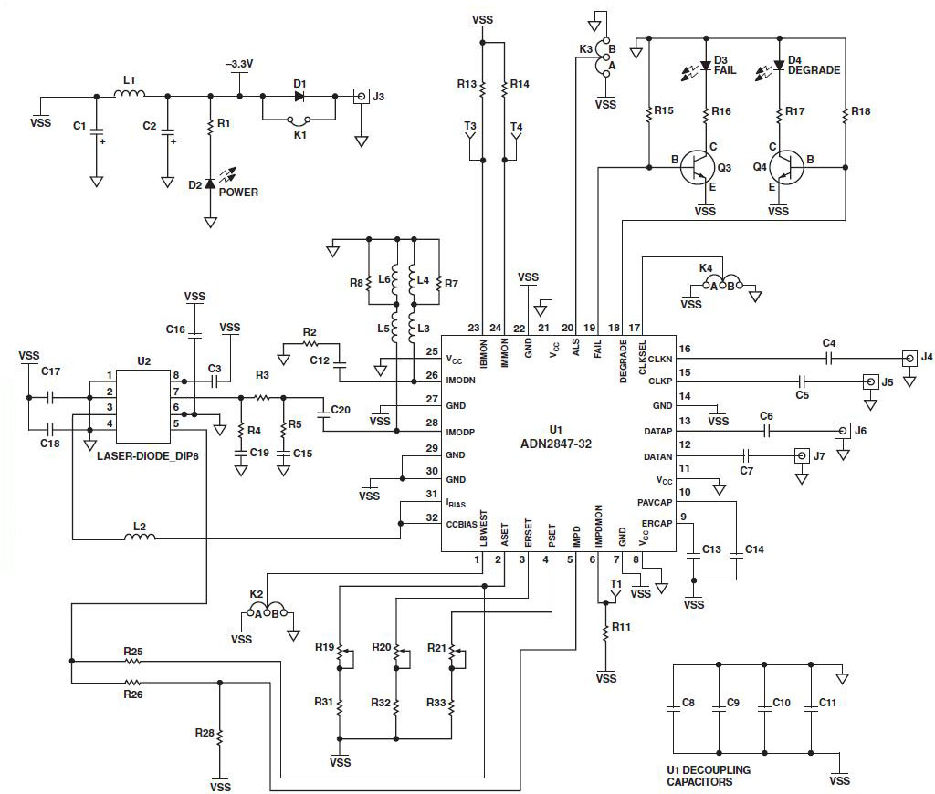
Laser Driver for Industrial
Using Part
Vignette
1 / 1
Documents connexes
- adn2830acp32 CAD symbol
- ADN2830ACP32 CAD/Foot Print
- adn2847acp-32 CAD symbol
- adn2847acp-48 CAD symbol
- ADN2847ACP-48 Multisim SPICE
- ADN2847ACPZ-32-RL CAD/Foot Print
- ADN2847ACPZ-48 CAD/Foot Print
- adn2830acp32-reel CAD symbol
- ADN2830ACP32-REEL7 CAD/Foot Print
- ADN2847ACP-32 CAD/Foot Print
- adn2830acp32-reel7 CAD symbol
- ADN2847ACP-48-RL CAD/Foot Print
- ADN2847ACPZ-32-RL7 CAD/Foot Print
- ADN2847ACP-32 Multisim SPICE
- ADN2847ACP-32-RL7 CAD/Foot Print
- ADN2830ACPZ32 CAD/Foot Print
- ADN2830ACP32-REEL7 Multisim SPICE
- ADN2830ACP32-REEL CAD/Foot Print
- ADN2847ACP-48 CAD/Foot Print
- ADN2847ACPZ-32 CAD/Foot Print
Pour les produits finaux
- Industrial
- System Monitoring and Control
Description
- 3V Dual Loop 50 Mbps to 3.3 Gbps AC Coupled Laser Driver