Green Chip TEA1755 integrated PFC and flyback controller
Using Part
Vignette
1 / 2
Pour les produits finaux
- Laptop
- Notebook
Description
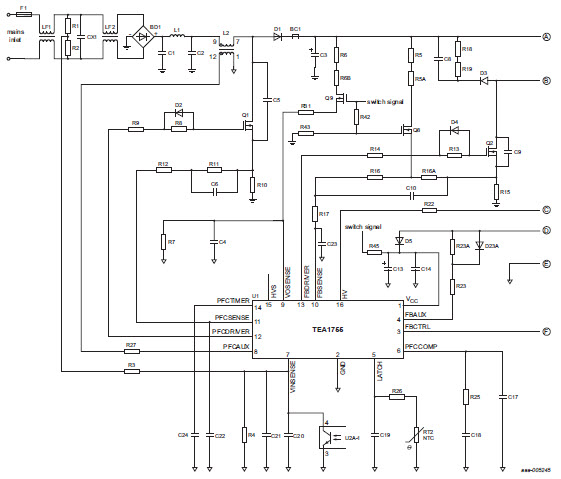
- Application Circuit featuring TEA1755 is a combination controller comprising an integrated PFC and flyback controller in an SO16 package. Both controllers operate in Quasi-Resonant (QR) mode and in Discontinuous Conduction Mode (DCM) with valley detection and are independently switched
Caractéristiques principales
-
Conversion TypeAC to DC
-
TopologyFlyback- PFC
Pièces en vedette (10)
| Pièce numéro | Fabricant | Type | Description | |||
|---|---|---|---|---|---|---|
|
|
TEA1792TS/1Z | NXP Semiconductors | AC to DC Switching Converters | AC to DC Switching Converter Flyback T/R 6-Pin TSOP | Ajouter au panier | |
|
|
TEA1792T/N1 | NXP Semiconductors | AC to DC Switching Converters | AC/DC Switching Converters | Ajouter au panier | |
|
|
LTV-817B | Lite-On Technology | Transistor and Photovoltaic Output Photocouplers | Optocoupler DC-IN 1-CH Transistor DC-OUT 4-Pin PDIP | Ajouter au panier | |
|
|
TEA1792ATS/1Z | NXP Semiconductors | AC to DC Switching Converters | AC to DC Switching Converter Flyback T/R 6-Pin TSOP | Ajouter au panier | |
|
|
LTV817B-V | Lite-On Technology | Transistor and Photovoltaic Output Photocouplers | Optocoupler DC-IN 1-CH Transistor DC-OUT 4-Pin DIP T/R | Ajouter au panier | |
|
|
TEA1792T/N1,118 | NXP Semiconductors | AC to DC Switching Converters | AC to DC Switching Converter Flyback T/R 8-Pin SO | Ajouter au panier | |
|
|
TEA1792AT/1,118 | NXP Semiconductors | AC to DC Switching Converters | AC to DC Switching Converter Flyback 8.8V T/R 8-Pin SO | Ajouter au panier | |
|
|
TEA1792ATS/1H | NXP Semiconductors | AC to DC Switching Converters | AC to DC Switching Converter Flyback T/R 6-Pin TSOP | Ajouter au panier | |
|
|
TEA1755LT/1Y | NXP Semiconductors | Power Factor Correction - PFC | High Performance Power Factor Correction IC | Ajouter au panier | |
|
|
TEA1755T/1,518 | NXP Semiconductors | Power Factor Correction - PFC | Power Factor Correction Controller 5mA 150kHz 16-Pin SO T/R | Ajouter au panier | |