Filtres
| Description | Lancé par | Pour l'application | Pour les produits finaux | |||
|---|---|---|---|---|---|---|
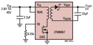
LTM8067_Typical ApplicationTypical Application Circuit for LTM8067IY 15V Floating 1GBT Gate Drive |
Analog Devices | Power Supplies | IGBT Gate Driver, Switches, Test and Measurement, Industrial Sensor | |||
LTM8067_Typical ApplicationTypical Application Circuit for LTM8067EY 15V Floating 1GBT Gate Drive |
Analog Devices | Power Supplies | IGBT Gate Driver, Switches, Test and Measurement, Industrial Sensor | |||
LTM8067_Typical ApplicationTypical Application Circuit for LTM8067IY 2kVAC Isolated Module Regulator |
Analog Devices | Power Supplies | IGBT Gate Driver, Switches, Test and Measurement, Industrial Sensor | |||
LTM8067_Typical ApplicationTypical Application Circuit for LTM8067EY 2kVAC Isolated Module Regulator |
Analog Devices | Power Supplies | IGBT Gate Driver, Switches, Test and Measurement, Industrial Sensor | |||
AN-1602Using the ADuM4135 Gate Driver with the Microsemi APTGT75A120T1G 1200 V IGBT Module |
Analog Devices | Isolation | Power Supplies, IGBT Gate Driver | |||
EVAL-ADUM7223EBZ |
Analog Devices | Isolation | Industrial Inverter, Switching Power Supply, IGBT Gate Driver | |||
EVAL-ADuM4120EBZEVAL-ADuM4120EBZ, Evaluation Board for the ADuM4120 Isolated Precision Gate Driver with 2A Output |
Analog Devices | Isolation | Industrial Inverter, Switching Power Supply, IGBT Gate Driver | |||
EVAL-ADuM4120-1EBZ |
Analog Devices | Isolation | Industrial Inverter, Switching Power Supply, IGBT Gate Driver | |||
EVAL-ADUM3223AEBZ |
Analog Devices | Isolation | Industrial Inverter, Switching Power Supply, IGBT Gate Driver, Automotive Applications | |||
EVAL-ADUM4223AEBZ |
Analog Devices | Isolation | Industrial Inverter, Switching Power Supply, IGBT Gate Driver, Automotive Applications | |||
PMP10736PMP10736, 2.5W Isolated Fly-Buck Power Module Reference Design |
Texas Instruments | Power Supplies | Power Line Communication, IGBT Gate Driver, Isolated Bias Supply, Industrial Programmable Logic Controllers (PLCs) | |||
PMP10559 |
Texas Instruments | Power Supplies | Automotive and Transportation, IGBT Gate Driver, Industrial Programmable Logic Controllers (PLCs) | |||
PMP9415 |
Texas Instruments | Power Supplies | Communications and Telecom, Automotive - Body Electronics, IGBT Gate Driver, Industrial Programmable Logic Controllers (PLCs) | |||
PMP10563PMP10563, 4000Vac Isolated Fly-Buck Power Converter for Medical Applications Reference Design |
Texas Instruments | Power Supplies | Automotive and Transportation, Communications and Telecom, IGBT Gate Driver, Industrial Programmable Logic Controllers (PLCs) | |||