Filtres
| Description | Lancé par | Pour l'application | Pour les produits finaux | |||
|---|---|---|---|---|---|---|
AN-10548V Supply Current Monitor Application Circuit with Isolated Output and 105V Survivability |
Analog Devices | Measurement and Monitoring | Instrumentation and Measurement, Portable Medical Instrumentation, Strain Gauge, Solar Power | |||
AN-105Measuring Bias Current into an Avalanche Photo Diode (APD) Using an Instrumentation Amplifier |
Analog Devices | Measurement and Monitoring | Instrumentation and Measurement, Portable Medical Instrumentation, Strain Gauge, Solar Power | |||
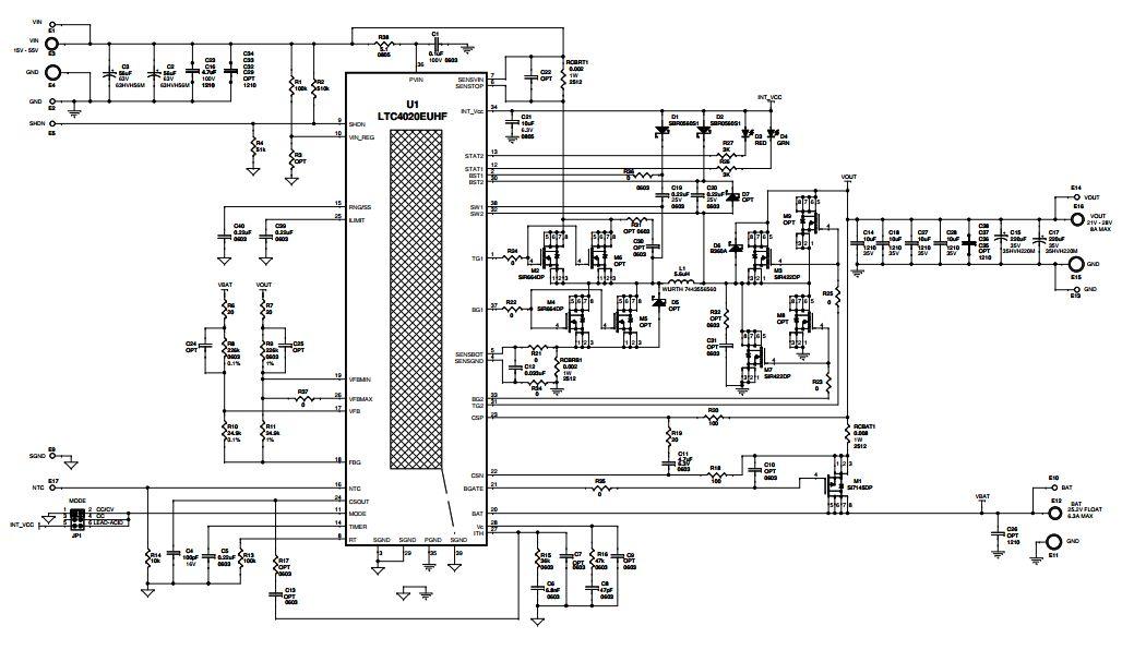
DC1621ALTM8062EV Demo Board, 32V, 2A module Li-Ion Battery Charger with MPPT |
Analog Devices | Battery Management | Automotive and Transportation, Industrial Control, Desktop PC, Solar Power | |||
DN426F6-Channel SAR ADCs for Industrial Monitoring and Portable Instruments |
Analog Devices | Signal Conditioning | Industrial, Instrumentation and Measurement, Data Acquisition System, Motion Motor Control, Power Line Communication | |||
DC1688A |
Analog Devices | Battery Management | Automotive and Transportation, Instrumentation and Measurement, Solar Power, Remote Weather-Data Station | |||
DN56 |
Analog Devices | Amplifiers and Comparators | Portable, Instrumentation and Measurement, Satellite Radio, Thermocouple, Solar Power | |||
AN4042MAXQ2000, Microcontroller to Implement a High Speed I2C Interface for MAX1169 16-Bit ADC |
Analog Devices | Data Conversion | Portable, Communications and Telecom, Battery Management, Portable Medical Instrumentation, Solar Power | |||
ADP1607-001-EVALZADP1607-001-EVALZ, Evaluating Board for the ADP1607, 2-MHz, Synchronous Boost, DC to DC Converter |
Analog Devices | Power Supplies | Portable, Instrumentation and Measurement, Power Supplies, Medical and Healthcare, Portable Audio, Solar Cell, High-Power LED | |||
DC1502ADC1502A, Demo board for the LTC4359DCB, 12V, 20A Ideal Diode with Reverse Input Protection |
Analog Devices | Power Drivers | Automotive and Transportation, Servers, Computers and Peripherals, Telecom Infrastructure, Solar Power | |||
DC2574A-KIT |
Analog Devices | Measurement and Monitoring | Industrial, Servers, Telecom Infrastructure, Solar Photovoltaic, E-Vehicle | |||
CN-0201 |
Analog Devices | Data Conversion | Instrumentation and Measurement, Industrial Control, Automatic Test Equipment, Power Line Communication | |||
EVAL-AD7949CBZ |
Analog Devices | Data Conversion | Portable, Instrumentation and Measurement, Data Acquisition System, Industrial Control, GPS , Portable Medical Instrumentation, Power Line Communication | |||
EVAL-AD7699CBZ |
Analog Devices | Data Conversion | Portable, Instrumentation and Measurement, Data Acquisition System, Industrial Control, GPS , Portable Medical Instrumentation, Power Line Communication | |||
EVAL-AD7657-1CBZEVAL-AD7657-1CBZ, Evaluation Board for AD7657, 14-Bit, 6-Channel Simultaneous Sampling ADC |
Analog Devices | Data Conversion | Instrumentation and Measurement, Industrial Control, Power Line Communication | |||
EVAL-AD7658-1CBZEVAL-AD7658-1CBZ, Evaluation Board for AD7658, 12-Bit, 6-Channel Simultaneous Sampling ADC |
Analog Devices | Data Conversion | Instrumentation and Measurement, Industrial Control, Power Line Communication | |||
EVAL-AD7656-1CBZEVAL-AD7656-1CBZ, Evaluation Board for AD7656, 16-Bit, 250KSPS, 6CH ADC for Power Line Communication |
Analog Devices | Data Conversion | Instrumentation and Measurement, Industrial Control, Power Line Communication | |||
MAX33054ESHLD# |
Analog Devices | Isolation | Programmable Logic Controller, Industrial Automation HMI, Motor Control, Smart Grid, Building Automation, Drones, Instrumentation | |||
MAX13053AESHLD# |
Analog Devices | Interface | Programmable Logic Controller, Industrial Automation HMI, Motor Control, Smart Grid, Building Automation, Drones, Instrumentation | |||
MAX13054AESHLD# |
Analog Devices | Interface | Programmable Logic Controller, Industrial Automation HMI, Motor Control, Smart Grid, Building Automation, Drones, Instrumentation | |||
DC1702ALTC4071EDDB Demo Board, Li-Ion / Polymer Shunt Battery Charger System with Low Battery Disconnect |
Analog Devices | Battery Management | Automotive and Transportation, DDR Memory, Solar Power, Energy harvesting | |||