Filtres
| Description | Lancé par | Pour l'application | Pour les produits finaux | |||
|---|---|---|---|---|---|---|
CN-0133 |
Analog Devices | Embedded System | Instrumentation and Measurement, Industrial Control, Optical Networking, Wireless Base Station, Factory Automation, Smart Sensor | |||
AN-900Enhancing the performance of Pedometers Using a Single Accelerometer based on ADuC7020 ARM7 MCU |
Analog Devices | Embedded System | Instrumentation and Measurement, Industrial Control, Optical Networking, Wireless Base Station, Factory Automation, Smart Sensor | |||
EVAL-ADuC7024QS |
Analog Devices | Embedded System | Instrumentation and Measurement, Industrial Control, Optical Networking, Wireless Base Station, Factory Automation, Smart Sensor | |||
DC1959A-D |
Analog Devices | Clock and Timing | Wireless Base Station, Microwave Link, Test and Measurement, Military Radios | |||
DC1705A-C |
Analog Devices | Clock and Timing | Wireless Base Station, Measurement Instruments, Broadband Access Power, Ethernet Microwave Radio | |||
AD8350AR15-EVAL |
Analog Devices | Amplifiers and Comparators | Communications and Telecom, Video and Imaging, Wireless Base Station | |||
AD8350AR20-EVAL |
Analog Devices | Amplifiers and Comparators | Communications and Telecom, Video and Imaging, Wireless Base Station | |||
LTC2908_Typical ApplicationTypical Application Circuit for LTC2908CDDB-B1, 3.3V, 2.5V, 1.8V, 1.2V Quad Supply Monitor |
Analog Devices | Power Management | Notebook, Desktop PC, Optical Networking, Wireless Base Station, Networking | |||
LTC2908_Typical ApplicationTypical Application Circuit for LTC2908IDDB-B1, 3.3V, 2.5V, 1.8V, 1.2V Quad Supply Monitor |
Analog Devices | Power Management | Notebook, Desktop PC, Optical Networking, Wireless Base Station, Networking | |||
LTC2908_Typical ApplicationTypical Application Circuit for LTC2908CDDB-A1, 3.3V, 2.5V, 1.8V, 1.2V Quad Supply Monitor |
Analog Devices | Power Management | Notebook, Desktop PC, Optical Networking, Wireless Base Station, Networking | |||
LTC2908_Typical ApplicationTypical Application Circuit for LTC2908IDDB-A1, 3.3V, 2.5V, 1.8V, 1.2V Quad Supply Monitor |
Analog Devices | Power Management | Notebook, Desktop PC, Optical Networking, Wireless Base Station, Networking | |||
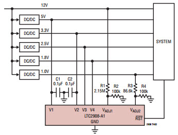
LTC2908_Typical ApplicationTypical Application Circuit for LTC2908CTS8-C1, 12V, 5V, 3.3V, 2.5V, 1.8V, 1V Six Supply Monitor |
Analog Devices | Power Management | Notebook, Desktop PC, Optical Networking, Wireless Base Station, Networking | |||
LTC2908_Typical ApplicationTypical Application Circuit for LTC2908ITS8-C1, 12V, 5V, 3.3V, 2.5V, 1.8V, 1V Six Supply Monitor |
Analog Devices | Power Management | Notebook, Desktop PC, Optical Networking, Wireless Base Station, Networking | |||
DC1035ALTC3812-5 Demo Board, Current Mode Synchronous Switching Regulator Controller |
Analog Devices | Power Supplies | Automotive and Transportation, Industrial Control, Servers, Telecom Power Supply, Wireless Base Station | |||
EVAL-ADF4252EBZ1EVAL-ADF4252EBZ1, Evaluation Board for ADF4252 Fractional-n PLL Frequency Synthesizer |
Analog Devices | Clock and Timing | Wireless LAN, Test Equipment, Wireless Base Station, Wireless Headset | |||
EVAL-ADF4252EB1EVAL-ADF4252EB1, Evaluation Board for ADF4252 Fractional-n PLL Frequency Synthesizer |
Analog Devices | Clock and Timing | Wireless LAN, Test Equipment, Wireless Base Station, Wireless Headset | |||
DC1705A-B |
Analog Devices | Clock and Timing | Wireless Base Station, Measurement Instruments, Broadband Access Power, Ethernet Microwave Radio | |||
LTC2908_Typical ApplicationTypical Application Circuit for LTC2908IDDB-A1, 12V, 3.3V, 2.5V, 1.8V, 1.5V, 1.2V Six Supply Monitor |
Analog Devices | Power Management | Notebook, Desktop PC, Optical Networking, Wireless Base Station, Networking | |||
LTC2908_Typical ApplicationTypical Application Circuit for LTC2908CDDB-B1, 12V, 3.3V, 2.5V, 1.8V, 1.5V, 1.2V Six Supply Monitor |
Analog Devices | Power Management | Notebook, Desktop PC, Optical Networking, Wireless Base Station, Networking | |||
LTC2908_Typical ApplicationTypical Application Circuit for LTC2908CDDB-A1, 12V, 3.3V, 2.5V, 1.8V, 1.5V, 1.2V Six Supply Monitor |
Analog Devices | Power Management | Notebook, Desktop PC, Optical Networking, Wireless Base Station, Networking | |||