Filtres
| Description | Lancé par | Pour l'application | Pour les produits finaux | |||
|---|---|---|---|---|---|---|
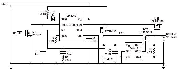
LTC4056-0903-magComplete USB PowerPath control and LTC4056 battery charger solution charge |
Analog Devices | Battery Management | Cellular Phone, Digital Camera, Desktop PC, Docking Station | |||
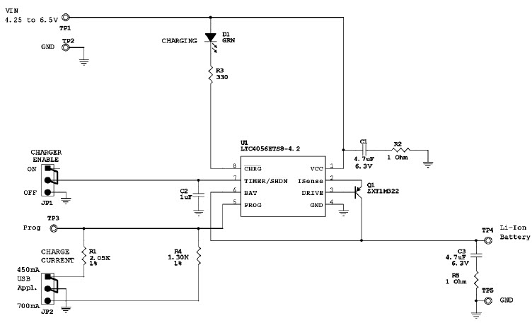
DC531A-ALTC4052EMS8E-4.2 Demo Board, Li-Ion Battery Pulse Charger, Vin= 4.5V-10V, 1A Limit, Vbat=4.2V |
Analog Devices | Battery Management | Cellular Phone, Portable Computers, Docking Station | |||
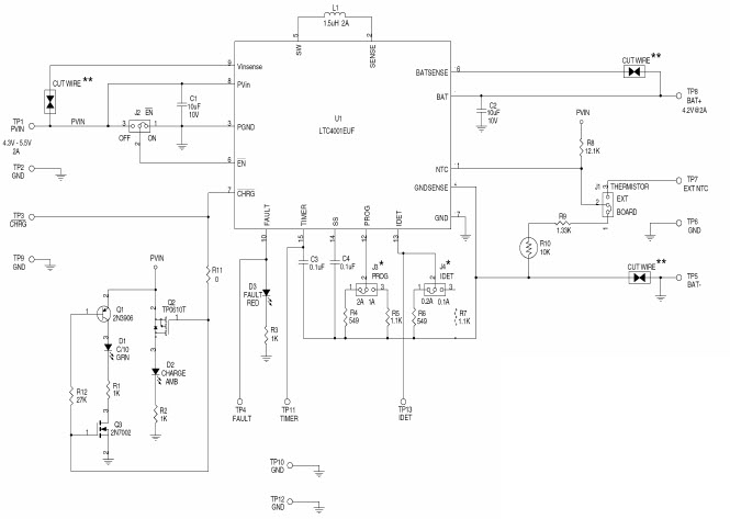
DC930ALTC4001 Demo Board, Single Li-ion cell/battery charge controller with built in charge termination |
Analog Devices | Battery Management | Smart Phone, Digital Camera, Portable Computers, Docking Station | |||
DC674BLTC4011EFE Demo Board, 500 kHz NiCd/NiMH 2A Battery Charger, System Load 1A Max, Vin = 4.5V - 25V |
Analog Devices | Battery Management | Cellular Phone, Personal Digital Assistant, Test Equipment, Portable Computers, Portable Consumer Electronics, Docking Station | |||
DC735A |
Analog Devices | Battery Management | Cellular Phone, Personal Digital Assistant, Test Equipment, Portable Computers, Portable Consumer Electronics, Docking Station | |||
DC454ALTC1733EMSE Demo Board, Linear Battery Charger for One Li-Ion Cell, 1.25A Charge Current, Vin = 5V |
Analog Devices | Battery Management | Cellular Phone, Portable Computers, Docking Station, Digital Still Camera (DSC) | |||
AN4840 |
Analog Devices | Battery Management | Cellular Phone, Personal Digital Assistant, Smart Phone, MP3 Player, Cordless Phone, Bluetooth, Docking Station, USB Wireless, Digital Still Camera (DSC) | |||
DC364A-ALTC1732EMS-4 Demo Board, Linear Battery Charger for One Li-Ion Cell, 700mA Charge Current, Vin=5V |
Analog Devices | Battery Management | Cellular Phone, Portable Computers, Docking Station | |||
DC370A-B |
Analog Devices | Battery Management | Cellular Phone, Digital Camera, Portable Computers, Docking Station | |||
DC364A-CLTC1732EMS-8 Demo Board, Linear Battery Charger for One Li-Ion Cell, 700mA Charge Current, Vin=5V |
Analog Devices | Battery Management | Cellular Phone, Portable Computers, Docking Station | |||
DC364A-BLTC1732EMS-4.2 Demo Board, Linear Battery Charger for One Li-Ion Cell, 700mA Charge Current, Vin=5V |
Analog Devices | Battery Management | Cellular Phone, Portable Computers, Docking Station | |||
DC606A |
Analog Devices | Battery Management | Cellular Phone, Digital Camera, Portable Computers, Docking Station | |||
LTC1759_Typical Application |
Analog Devices | Battery Management | Portable Medical Instrumentation, Portable Computers, Docking Station | |||
DC551A-B |
Analog Devices | Battery Management | Instrumentation and Measurement, Portable Computers, Docking Station | |||
MAX4952AEVKIT+MAX4952AEVKIT+, Evaluation Kit for the MAX4952A Dual Equalized 1.5/3/6 GT/s SAS/SATA Redriver |
Analog Devices | Wireless Communication | Laptop, Servers, Desktop PC, Data Storage Devices, Docking Station, Workstations | |||
MAX4951AEEVKIT+MAX4951AEEVKIT+, Evaluation Kit for the MAX4951AE SATA I/II Bidirectional Redriver |
Analog Devices | Wireless Communication | Laptop, Servers, Desktop PC, Data Storage Devices, Docking Station, Workstations | |||
MAX4952BEVKIT+MAX4952BEVKIT+, Evaluation Kit for the MAX4952B Dual 1.5/3/6 Gbps SAS/SATA Redriver |
Analog Devices | Wireless Communication | Laptop, Servers, Desktop PC, Data Storage Devices, Docking Station, Workstations | |||
DC370A-A |
Analog Devices | Battery Management | Cellular Phone, Digital Camera, Portable Computers, Docking Station | |||
MAX4951CEVKIT#MAX4951CEVKIT#, Evaluation Kit for the MAX4951C 6 Gbps SATA Bidirectional Redriver |
Analog Devices | Wireless Communication | Laptop, Servers, Desktop PC, Data Storage Devices, Docking Station, Workstations | |||
MAX9742EVKIT+ |
Analog Devices | Audio | Flat Panel Display, Docking Station, Touch-Screen Monitor, CRT TV | |||