DM320109, Crypto Authentication SOIC Xplained-Pro Starter Kit consists of SAMD21-XPRO and AT88CKSCKTSOIC-XPRO Socket Board
Using Part
Vignette
1 / 10
Pour les produits finaux
- USB Interfaces
Description
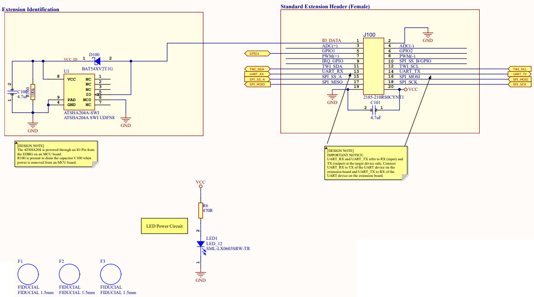
- DM320109, Crypto Authentication SOIC Xplained Pro Starter (CryptoAuth-XSTK) kit consists of a SAMD21-XPRO and an AT88CKSCKTSOIC-XPRO socket board along with Crypto Authentication sample devices. The board works with Crypto Evaluation Studio (ACES) out of the box and can be used for evaluation and development with Crypto Authentication Devices. The kit supports all Crypto Authentication devices including the ATECC608A, ATECC508A, ATECC108A, ATSHA204A and the ATAES132A. The kit can support I2C Interface devices, Single-Wire-Interface (SWI) devices and devices with a SPI interface by setting the appropriate switches on the socket board
Caractéristiques principales
-
Interface StandardsSPI|I2C|SWI
Pièces en vedette (16)
| Pièce numéro | Fabricant | Type | Description | |||
|---|---|---|---|---|---|---|
|
|
ATSHA204A-MAHCZ-T | Microchip Technology | Authenticators | Authenticator CMOS 4.5KB 8-Pin UDFN EP T/R | Ajouter au panier | |
|
|
TPS2113PWR | Texas Instruments | Power Muxes | Pwr Mux Autoswitch 1.5V to 5.5V 1.25A 8-Pin TSSOP T/R | Ajouter au panier | |
|
|
AT25DF081A-SSH-T | Renesas Electronics | Flash | NOR Flash Serial (SPI, Dual SPI) 3.3V 8M-bit 1M x 8 5ns 8-Pin SOIC T/R | Ajouter au panier | |
|
|
BAT54XV2T1G | onsemi | Rectifiers | Diode Schottky Si 0.2A 2-Pin SOD-523 T/R | Ajouter au panier | |
|
|
SPX3819R2-L/TR | MaxLinear | Linear Regulators | LDO Regulator Pos 1.235V 0.5A 8-Pin DFN EP T/R | Ajouter au panier | |
|
|
AT32UC3A4256-C1UR | Microchip Technology | Microcontrollers - MCUs | MCU 32-bit AVR RISC 256KB Flash 1.85V/3.3V 100-Pin VFBGA T/R | Ajouter au panier | |
|
|
ATSAMD21J18A-MU | Microchip Technology | Microcontrollers - MCUs | MCU 32-bit ARM Cortex M0+ RISC 256KB Flash 3.3V 64-Pin QFN EP Tray | Ajouter au panier | |
|
|
ATSAMD21J18A-CU | Microchip Technology | Microcontrollers - MCUs | MCU 32-bit ARM Cortex M0+ RISC 256KB Flash 3.3V 64-Pin UFBGA Tray | Ajouter au panier | |
|
|
ATSAMD21J18A-AFT | Microchip Technology | Microcontrollers - MCUs | MCU 32-bit ARM Cortex M0+ RISC 256KB Flash 3.3V 64-Pin TQFP T/R | Ajouter au panier | |
|
|
ATSAMD21J18A-MFT | Microchip Technology | Microcontrollers - MCUs | MCU 32-bit ARM Cortex M0+ RISC 256KB Flash 3.3V 64-Pin QFN EP T/R | Ajouter au panier | |
|
|
ATSAMD21J18A-CUT | Microchip Technology | Microcontrollers - MCUs | MCU 32-bit ARM Cortex M0+ RISC 256KB Flash 3.3V 64-Pin UFBGA T/R | Ajouter au panier | |
|
|
ATSAMD21J18A-MF | Microchip Technology | Microcontrollers - MCUs | MCU 32-bit ARM Cortex M0+ RISC 256KB Flash 3.3V 64-Pin QFN EP Tray | Ajouter au panier | |