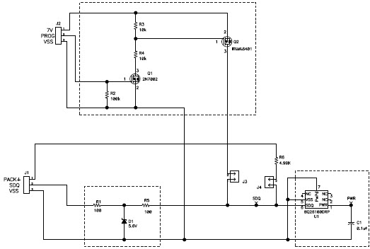
BQ26100EVM provides a method to authenticate battery packs and other peripherals

Using Part

Fabricant

Texas Instruments
  • Catégorie d'application
    Gestion de batterie
  • Type de produit
    Bloc de batteries

Documents connexes

Pour les produits finaux

  • Cellular Phone
  • Digital Camera
  • Internet Radio Player
  • MP3 Player
  • Personal Digital Assistant
  • Smart Phone

Description

  • BQ26100EVM provides a method to authenticate battery packs and other peripherals. The bq26100 uses a 128bit unique device key and a 160bit SHA-1/HMAC response to provide authentication. The device key is stored securely in each bq26100 device, allowing the host to authenticate each pack or peripheral. The purpose of the evaluation software (EVSW) is to demonstrate the functionality of the bq26100. This user's guide is intended for the operation of the software and does not necessarily explain in detail the operation of the bq26100. Refer to datasheet for any detailed information regarding operation of the device

Nous avons mis à jour notre politique de confidentialité. Prenez un moment pour lire les changements. En cliquant sur "J'accepte", vous acceptez la clause de confidentialité d'Arrow Electronics ainsi que les conditions d'utilisation.

Notre site Internet place des cookies sur votre appareil pour améliorer votre expérience et pour améliorer notre site. Pour en savoir plus sur les cookies que nous utilisons et la façon de les désactiver, cliquez ici. Des cookies et des technologies de suivi peuvent être utilisés à des fins de marketing. En cliquant sur « Accepter », vous consentez au placement de cookies sur votre appareil et à notre utilisation de technologies de suivi. Cliquez sur « En savoir plus » pour de plus amples informations et instructions sur la façon de désactiver les cookies et les technologies de suivi. Même si l'acceptation des cookies et technologies de suivi est volontaire, leur désactivation peut entraîner un mauvais fonctionnement du site Internet et certaines publicités peuvent être moins pertinentes pour vous. Nous respectons votre confidentialité. Lisez notre politique de confidentialité ici.