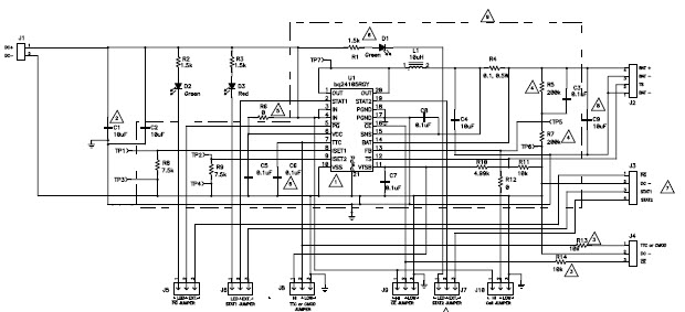
bq24105EVM is the evaluation module (EVM) for the bq24105 Li-Ion charge management IC

Using Part

Fabricant

Texas Instruments
  • Catégorie d'application
    Gestion de batterie
  • Type de produit
    Chargeur de batterie

Documents connexes

Pour les produits finaux

  • Portable

Description

  • bq24105EVM is the evaluation module (EVM) for the bq24105 Li-Ion charge management IC. The bq24105 is a highly integrated battery charge IC utilizing synchronous switch mode power conversion for efficient and comprehensive charge control of a one, two, or three series cell Li-Ion battery. The EVM is a complete bq24105 based circuit and provides a convenient method to evaluate the operation and performance of the IC. The EVM is set up at the factory to charge at 1.33A and a 4.2V (single cell) voltage limit. The output limits can be adjusted to charge a battery pack with more than one series cell by changing on-board resistors. The EVM development tool includes a tested evaluation module, a user guide (SLUU200) that contains the schematic, bill of materials, component placement, layout and the setup of the EVM, and the bq24105 data sheet. The only necessities to use the EVM are a power source (16V max) and the battery to be charged

Caractéristiques principales

  • Battery Type
    Lithium-Ion|Lithium-Polymer
  • Input Voltage
    0.6 to 16 V
  • Output Voltage
    4.2|8.4|12.6 V
  • Number of Battery Cells
    1 to 3

Nous avons mis à jour notre politique de confidentialité. Prenez un moment pour lire les changements. En cliquant sur "J'accepte", vous acceptez la clause de confidentialité d'Arrow Electronics ainsi que les conditions d'utilisation.

Notre site Internet place des cookies sur votre appareil pour améliorer votre expérience et pour améliorer notre site. Pour en savoir plus sur les cookies que nous utilisons et la façon de les désactiver, cliquez ici. Des cookies et des technologies de suivi peuvent être utilisés à des fins de marketing. En cliquant sur « Accepter », vous consentez au placement de cookies sur votre appareil et à notre utilisation de technologies de suivi. Cliquez sur « En savoir plus » pour de plus amples informations et instructions sur la façon de désactiver les cookies et les technologies de suivi. Même si l'acceptation des cookies et technologies de suivi est volontaire, leur désactivation peut entraîner un mauvais fonctionnement du site Internet et certaines publicités peuvent être moins pertinentes pour vous. Nous respectons votre confidentialité. Lisez notre politique de confidentialité ici.