Am486 Microprocessor PCI Customer Development Platform

Using Part

Fabricant

Infineon Technologies AG
  • Catégorie d'application
    Stockage de données
  • Type de produit
    Mémoire EEPROM

Pour les produits finaux

  • Communications and Telecom
  • Ethernet Router

Description

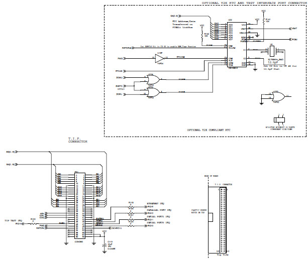
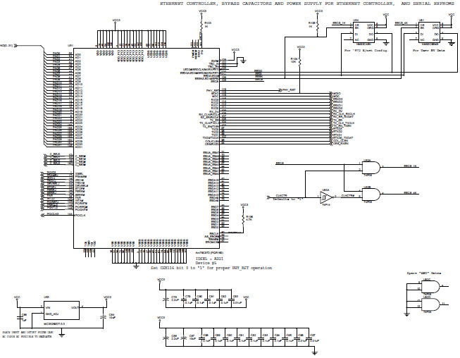
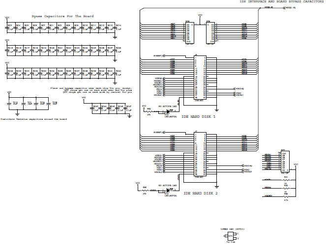
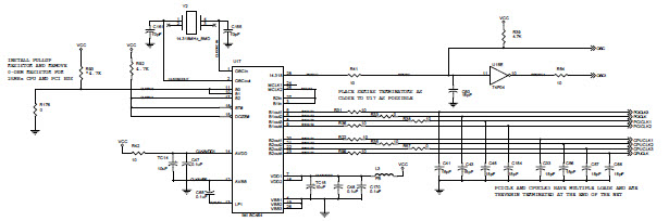
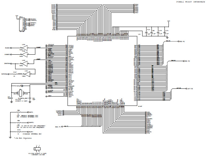
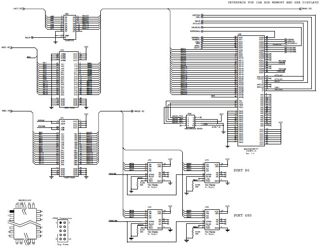
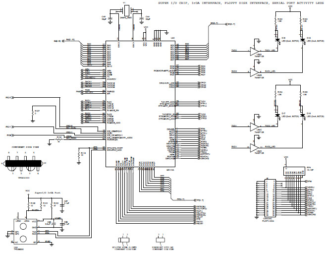
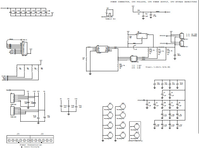
  • Am486 Microprocessor PCI Customer Development Platform. The PCI CDP is shipped with a BIOS that has been configured specifically for the chipset used on this platform. The BIOS contains the code that enables the PCI CDP to function as a standard AT-compatible PC, using AT-compatible displays, display adapters, and keyboards

Nous avons mis à jour notre politique de confidentialité. Prenez un moment pour lire les changements. En cliquant sur "J'accepte", vous acceptez la clause de confidentialité d'Arrow Electronics ainsi que les conditions d'utilisation.

Notre site Internet place des cookies sur votre appareil pour améliorer votre expérience et pour améliorer notre site. Pour en savoir plus sur les cookies que nous utilisons et la façon de les désactiver, cliquez ici. Des cookies et des technologies de suivi peuvent être utilisés à des fins de marketing. En cliquant sur « Accepter », vous consentez au placement de cookies sur votre appareil et à notre utilisation de technologies de suivi. Cliquez sur « En savoir plus » pour de plus amples informations et instructions sur la façon de désactiver les cookies et les technologies de suivi. Même si l'acceptation des cookies et technologies de suivi est volontaire, leur désactivation peut entraîner un mauvais fonctionnement du site Internet et certaines publicités peuvent être moins pertinentes pour vous. Nous respectons votre confidentialité. Lisez notre politique de confidentialité ici.