24-Bit, 192KSPS, 8CH DAC for Audio
Using Part
Vignette
1 / 4
Documents connexes
Pour les produits finaux
- Audio
- AV Receiver
- Car Audio
- CD/DVD Player
- High-Definition TV
Description
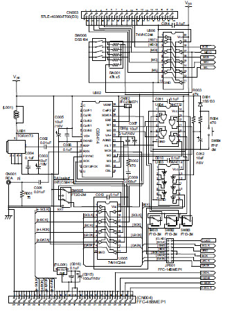
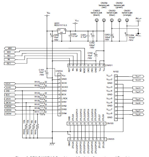
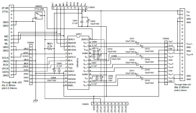
- DEM-DAI1680 is an evaluation board for 24-bit, 192-kHz, 8-channel audio DAC, PCM1680 with digital audio receiver, mode control switch, 8-channel second-order post filter
Caractéristiques principales
-
DAC Resolution24 Bit
-
DAC Sampling Rate192K SPS
-
Number of Channels8CH
Pièces en vedette (22)
| Pièce numéro | Fabricant | Type | Description | |||
|---|---|---|---|---|---|---|
|
|
TC74VHC14FK(EL,K) | Toshiba | Inverters and Schmitt Triggers | Inverter Schmitt Trigger 6-Element CMOS 14-Pin VSSOP T/R | Ajouter au panier | |
|
|
TC74VHC14F(EL,K,F) | Toshiba | Inverters and Schmitt Triggers | Inverter Schmitt Trigger 6-Element CMOS 14-Pin SOP T/R | Ajouter au panier | |
|
|
TC74VHC244F(EL,K,F)" | Toshiba | Buffers and Line Drivers | Buffer/Line Driver 8-CH Non-Inverting 3-ST CMOS 20-Pin SOP T/R | Ajouter au panier | |
|
|
REG1117-3.3 | Texas Instruments | Linear Regulators | LDO Regulator Pos 3.3V 0.8A 4-Pin(3+Tab) SOT-223 Tube | Ajouter au panier | |
|
|
FT1D-2M-Z | NIDEC COMPONENTS CORPORATION | Switch Toggle | Switch Toggle ON ON SPDT Round Lever PC Pins 28VDC 0.4VA PC Mount Pack | Ajouter au panier | |
|
|
TC74VHC14F | Toshiba | Inverters and Schmitt Triggers | Inverter Schmitt Trigger 6-Element CMOS 14-Pin SOP Tube | Ajouter au panier | |
|
|
FT2D-2M-Z | NIDEC COMPONENTS CORPORATION | Switch Toggle | Switch Toggle ON ON DPDT Round Lever PC Pins 28VDC 0.4VA PC Mount Pack | Ajouter au panier | |
|
|
REG1117-3.3/2K5G4 | Texas Instruments | Linear Regulators | LDO Regulator Pos 3.3V 0.8A 4-Pin(3+Tab) SOT-223 T/R | Ajouter au panier | |
|
|
REG1117-3.3/2K5G4 | Texas Instruments | Linear Regulators | LDO Regulator Pos 3.3V 0.8A 4-Pin(3+Tab) SOT-223 T/R | Ajouter au panier | |
|
|
TC74VHC244F | Toshiba | Buffers and Line Drivers | Buffer/Line Driver 8-CH Non-Inverting 3-ST CMOS 20-Pin SOP T/R | Ajouter au panier | |
|
|
REG1117-3.3G4 | Texas Instruments | Linear Regulators | LDO Regulator Pos 3.3V 0.8A 4-Pin(3+Tab) SOT-223 Tube | Ajouter au panier | |
|
|
TC74VHC14FT(EL.K) | Toshiba | Inverters and Schmitt Triggers | Inverter Schmitt Trigger 6-Element CMOS 14-Pin TSSOP | Ajouter au panier | |