16-Bit, 4CH DAC for Instrumentation
Using Part
Vignette
1 / 2
Documents connexes
- ADP3303AR-3.3 Multisim SPICE
- AD7476ARTZ-500RL7 CAD/Foot Print
- adr02br CAD symbol
- ADG774BRQ-REEL7 CAD/Foot Print
- ADG774BRQZ CAD/Foot Print
- ADG774BRQZ-REEL CAD/Foot Print
- ADG774BRQZ-REEL7 CAD/Foot Print
- ad5764r CAD symbol
- adg774brqz-reel CAD symbol
- AD5764RCSUZ-REEL7 CAD/Foot Print
- ADR02BR Multisim SPICE
- ADG774BRQ-REEL CAD/Foot Print
- AD5764RCSUZ CAD/Foot Print
- ADR02CRZ Multisim SPICE
- adg774brq CAD symbol
- adg774brqz-reel7 CAD symbol
- ADR02BRZ-REEL7 CAD/Foot Print
- ADG774BRQ CAD/Foot Print
- adg774brq-reel7 CAD symbol
- adg774brqz CAD symbol
- ADR02BRZ CAD/Foot Print
- adg774brq-reel CAD symbol
- AD7476ARTZ-REEL CAD/Foot Print
Pour les produits finaux
- Automatic Test Equipment
- Data Acquisition System
- Factory Automation
- Industrial Control
- Instrumentation and Measurement
- Servo Motor
Description
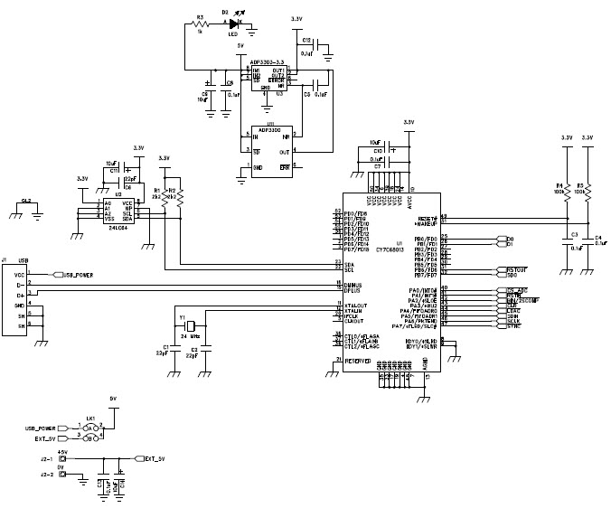
- Evaluation Board for AD5764R, Quad, 16-Bit, High Accuracy, Serial Input, Bipolar Voltage
Caractéristiques principales
-
DAC Resolution16 Bit
-
Number of Channels4CH
Pièces en vedette (38)
| Pièce numéro | Fabricant | Type | Description | |||
|---|---|---|---|---|---|---|
|
|
24LC64T-I/STG | Microchip Technology | EEPROM | EEPROM Serial-I2C 64K-bit 8K x 8 3.3V/5V 8-Pin TSSOP T/R | Ajouter au panier | |
|
|
24LC64T-I/SN | Microchip Technology | EEPROM | EEPROM Serial-I2C 64K-bit 8K x 8 3.3V/5V 8-Pin SOIC N T/R | Ajouter au panier | |
|
|
24LC64-E/P | Microchip Technology | EEPROM | EEPROM Serial-I2C 64K-bit 8K x 8 3.3V/5V Automotive AEC-Q100 8-Pin PDIP Tube | Ajouter au panier | |
|
|
24LC64T-I/MC | Microchip Technology | EEPROM | EEPROM Serial-I2C 64K-bit 8K x 8 3.3V/5V 8-Pin DFN EP T/R | Ajouter au panier | |
|
|
24LC64T-I/MNY | Microchip Technology | EEPROM | EEPROM Serial-I2C 64K-bit 8K x 8 3.3V/5V 8-Pin TDFN EP T/R | Ajouter au panier | |
|
|
ADR02BRZ | Analog Devices | Voltage References | V-Ref Precision 5V 10mA 8-Pin SOIC N Tube | Ajouter au panier | |
|
|
ADG774BRQZ | Analog Devices | Analog Switch Multiplexers | Analog Multiplexer Quad 2:1 16-Pin QSOP Tube | Ajouter au panier | |
|
|
24LC64T-I/SNG | Microchip Technology | EEPROM | EEPROM Serial-I2C 64K-bit 8K x 8 3.3V/5V 8-Pin SOIC N T/R | Ajouter au panier | |
|
|
24LC64T-I/OT | Microchip Technology | EEPROM | EEPROM Serial-I2C 64K-bit 8K x 8 3.3V/5V 5-Pin SOT-23 T/R | Ajouter au panier | |
|
|
24LC64-I/STG | Microchip Technology | EEPROM | EEPROM Serial-I2C 64K-bit 8K x 8 3.3V/5V 8-Pin TSSOP Tube | Ajouter au panier | |
|
|
24LC64-I/SM | Microchip Technology | EEPROM | EEPROM Serial-I2C 64K-bit 8K x 8 3.3V/5V 8-Pin SOIJ Tube | Ajouter au panier | |
|
|
24LC64-I/SN | Microchip Technology | EEPROM | EEPROM Serial-I2C 64K-bit 8K x 8 3.3V/5V 8-Pin SOIC N Tube | Ajouter au panier | |