0 to 20V, 2 to 4-Cell, Lithium-Ion/Lithium-Polymer Battery Charger for Notebook

Using Part

Fabricant

Texas Instruments
  • Catégorie d'application
    Gestion de batterie
  • Type de produit
    Chargeur de batterie

Documents connexes

Pour les produits finaux

  • Laptop
  • Netbook
  • Notebook

Description

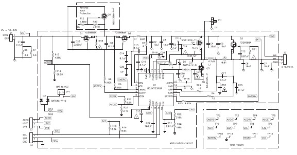
  • bq24725EVM evaluation module is a complete charger module for evaluating a multi-cell synchronous notebook charge using bq24725 devices. It is designed to deliver up to 4 A of charge current to Li-ion or Li-polymer applications

Caractéristiques principales

  • Battery Type
    Lithium-Ion|Lithium-Polymer
  • Input Voltage
    18 to 22 V
  • Output Voltage
    0 to 20 V
  • Number of Battery Cells
    2 to 4

Nous avons mis à jour notre politique de confidentialité. Prenez un moment pour lire les changements. En cliquant sur "J'accepte", vous acceptez la clause de confidentialité d'Arrow Electronics ainsi que les conditions d'utilisation.

Notre site Internet place des cookies sur votre appareil pour améliorer votre expérience et pour améliorer notre site. Pour en savoir plus sur les cookies que nous utilisons et la façon de les désactiver, cliquez ici. Des cookies et des technologies de suivi peuvent être utilisés à des fins de marketing. En cliquant sur « Accepter », vous consentez au placement de cookies sur votre appareil et à notre utilisation de technologies de suivi. Cliquez sur « En savoir plus » pour de plus amples informations et instructions sur la façon de désactiver les cookies et les technologies de suivi. Même si l'acceptation des cookies et technologies de suivi est volontaire, leur désactivation peut entraîner un mauvais fonctionnement du site Internet et certaines publicités peuvent être moins pertinentes pour vous. Nous respectons votre confidentialité. Lisez notre politique de confidentialité ici.