PMP9637, Automotive Boost Power Supply for Audio Applications

Reference Design using part TPS40090PW by Texas Instruments

Manufacturer

Texas Instruments
  • Application Category
    Power Supplies
  • Product Type
    DC to DC Single Output Power Supplies

Associated Documents

For End Products

  • Audio

Description

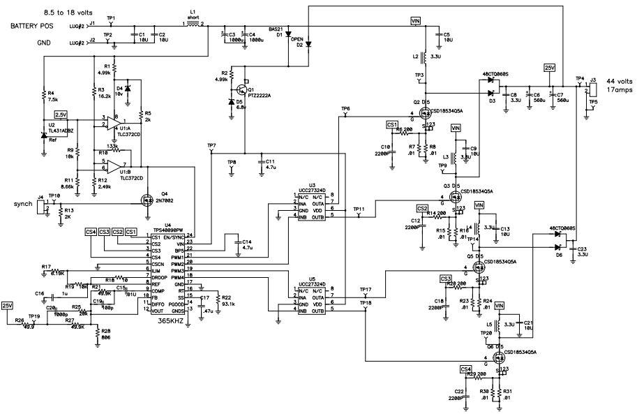
  • PMP9637, Automotive Boost Power Supply for Audio Applications. The PMP9637 4-phase boost power supply enables high-efficiency boost dc/dc conversion of an 8.5V to 18V input Automotive battery voltage to 44V output at 17 Amperes in a compact form factor for Audio applications. The TPS40090 4-phase PWM controller is used with two (2) UCC27324D 4A dual FET drivers and CSD18534Q5A 60V NexFETs to deliver 748W output power in only 120mm x 70mm

Key Features

  • Conversion Type
    DC to DC
  • Input Voltage
    8.5 to 18 V
  • Output Voltage
    44 V
  • Output Current
    7 A
  • Output Power
    748 W
  • Efficiency
    95 %
  • Topology
    Boost

We've updated our privacy policy. Please take a moment to review these changes. By clicking I Agree to Arrow Electronics Terms Of Use  and have read and understand the Privacy Policy and Cookie Policy.

Our website places cookies on your device to improve your experience and to improve our site. Read more about the cookies we use and how to disable them here. Cookies and tracking technologies may be used for marketing purposes.
By clicking “Accept”, you are consenting to placement of cookies on your device and to our use of tracking technologies. Click “Read More” below for more information and instructions on how to disable cookies and tracking technologies. While acceptance of cookies and tracking technologies is voluntary, disabling them may result in the website not working properly, and certain advertisements may be less relevant to you.
We respect your privacy. Read our privacy policy here