PMP10961, 12Vinput 1.2V/10A High Power Density, PMBUs Step-Down DC-DC Converter Reference Design

Reference Design using part TPS53915RVE by Texas Instruments

Manufacturer

Texas Instruments
  • Application Category
    Power Supplies
  • Product Type
    DC to DC Single Output Power Supplies

For End Products

  • Communications Infrastructure
  • I/O Supplies
  • Networking

Description

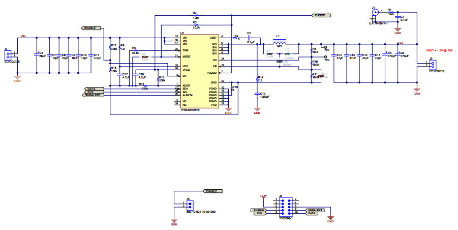
  • PMP10961, 12Vinput 1.2V/10A High Power Density, PMBUs Step-Down DC-DC Converter Reference Design. The PMP10961 is a high power density, 10A buck converter with PMBUs interface. The layout is optimized for small form factor utilizing both sides of board and fits in a 0.6"x0.78" area. It enables 86.5% efficiency at 10Vin, 1.2V/10Aout, 400kHz. Due to DCAP3 control mode, it also provides fast load transient response within +/-1.5%, minimizing output capacitors. PMBUs interface enables output voltage adjustment, soft-start, power-on delay, switching frequency, UVLO and fault reporting

Key Features

  • Conversion Type
    DC to DC
  • Input Voltage
    7 to 13.2 V
  • Output Voltage
    1.2 V
  • Output Current
    10 A
  • Output Power
    12 W
  • Efficiency
    86.5 %
  • Topology
    Buck- Synchronous

We've updated our privacy policy. Please take a moment to review these changes. By clicking I Agree to Arrow Electronics Terms Of Use  and have read and understand the Privacy Policy and Cookie Policy.

Our website places cookies on your device to improve your experience and to improve our site. Read more about the cookies we use and how to disable them here. Cookies and tracking technologies may be used for marketing purposes.
By clicking “Accept”, you are consenting to placement of cookies on your device and to our use of tracking technologies. Click “Read More” below for more information and instructions on how to disable cookies and tracking technologies. While acceptance of cookies and tracking technologies is voluntary, disabling them may result in the website not working properly, and certain advertisements may be less relevant to you.
We respect your privacy. Read our privacy policy here