MAX3521EVKIT#, Evaluation Kit for the MAX3521 DOCSIS 3.0 Upstream Amplifier

Reference Design using part MAX3521ETP+ by Analog Devices

Manufacturer

Analog Devices
  • Application Category
    Amplifiers and Comparators
  • Product Type
    Analog Amplification

For End Products

  • Cable Modem
  • Set-Top Box
  • VoIP

Description

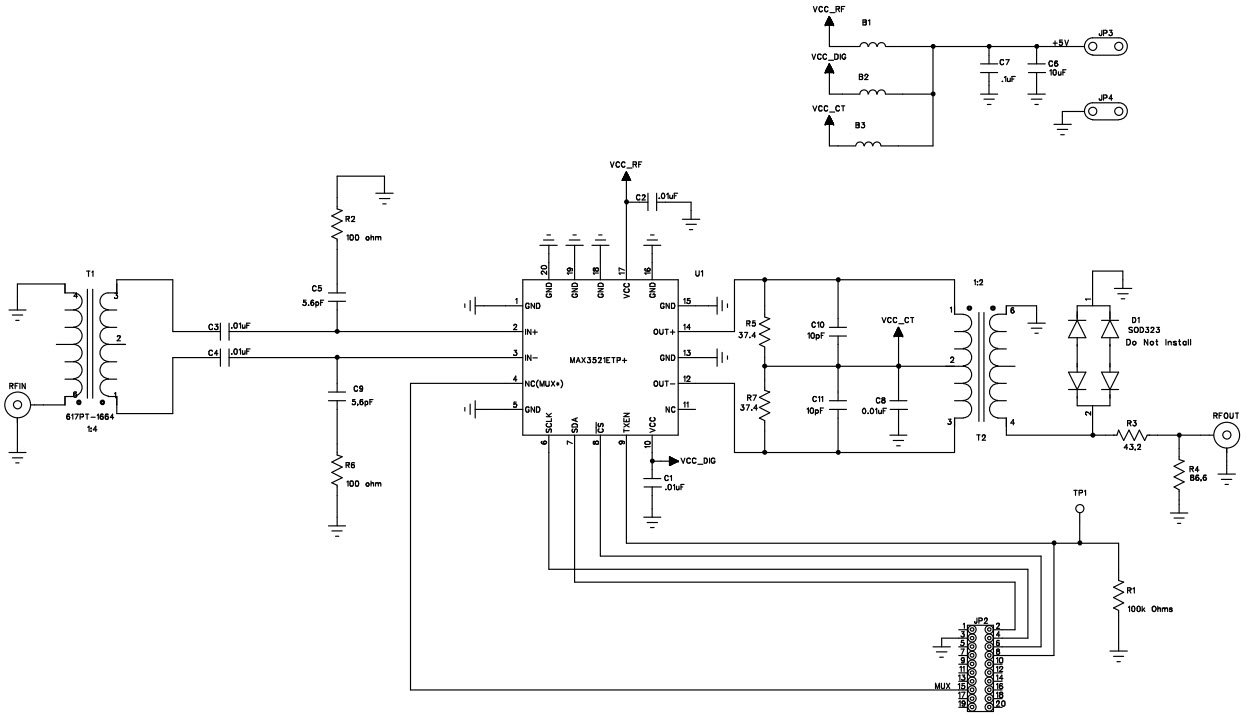
  • MAX3521EVKIT#, Evaluation Kit (EV kit) simplifies the testing and evaluation of the MAX3521 DOCSIS 3.0 upstream amplifier. The EV kit is fully assembled and tested at the factory. Standard 50-ohm SMA connectors are included on the EV kit for the inputs and outputs to allow quick and easy evaluation on the test bench

We've updated our privacy policy. Please take a moment to review these changes. By clicking I Agree to Arrow Electronics Terms Of Use  and have read and understand the Privacy Policy and Cookie Policy.

Our website places cookies on your device to improve your experience and to improve our site. Read more about the cookies we use and how to disable them here. Cookies and tracking technologies may be used for marketing purposes.
By clicking “Accept”, you are consenting to placement of cookies on your device and to our use of tracking technologies. Click “Read More” below for more information and instructions on how to disable cookies and tracking technologies. While acceptance of cookies and tracking technologies is voluntary, disabling them may result in the website not working properly, and certain advertisements may be less relevant to you.
We respect your privacy. Read our privacy policy here