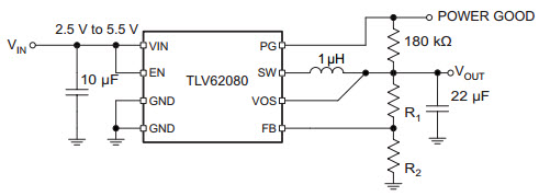
Typical Application Circuit for TLV62084 1.2A and 2A High-Efficiency Step-Down Converter
使用 Texas Instruments 的 TLV62084 的参考设计
Image
1 / 1
依据最终产品
- Power Supplies
说明
- Typical Application Circuit for TLV62084 1.2A and 2A High-Efficiency Step-Down Converter
主要特色
-
Conversion TypeDC to DC
-
TopologyBuck
Featured Parts (2)
| 零件编号 | 供应商 | 类别 | 说明 | |||
|---|---|---|---|---|---|---|
|
|
TLV62084DSGT | Texas Instruments | DC to DC Converter and Switching Regulator Chip | Conv DC-DC 2.7V to 6V Synchronous Step Down Single-Out 0.5V to 4V 2A 8-Pin WSON EP T/R | 买入 | |
|
|
TLV62084DSGR | Texas Instruments | DC to DC Converter and Switching Regulator Chip | Conv DC-DC 2.7V to 6V Synchronous Step Down Single-Out 0.5V to 4V 2A 8-Pin WSON EP T/R | 买入 | |