TIDM-RM46XDRV8301KIT, Three-Phase BLDC/PMSM Motor Drive with High-performance Microcontrollers Reference Design
使用 Texas Instruments 的 RM46L852ZWTT 的参考设计
Image
1 / 15
依据最终产品
- Industrial Automation HMI
- Medical Electronics
- Pumps
- Robotics
说明
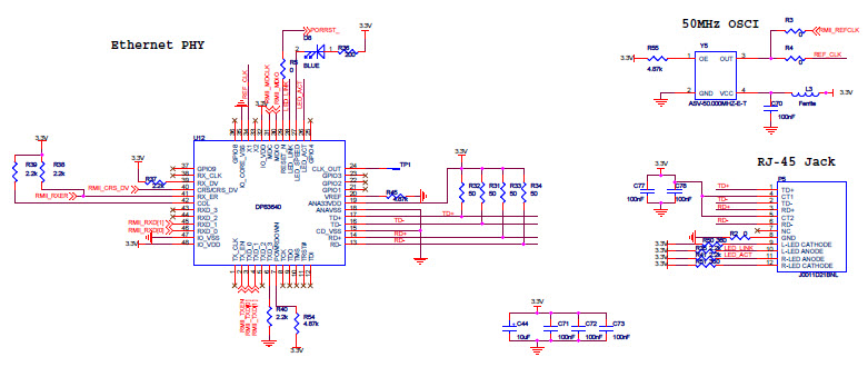
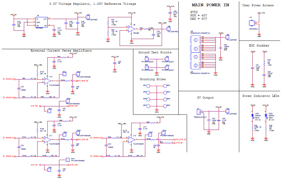
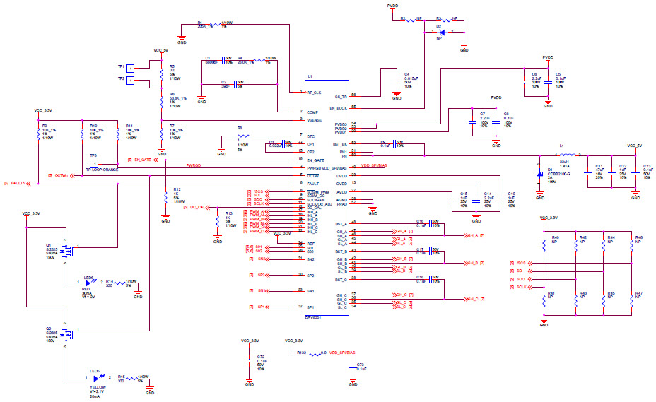
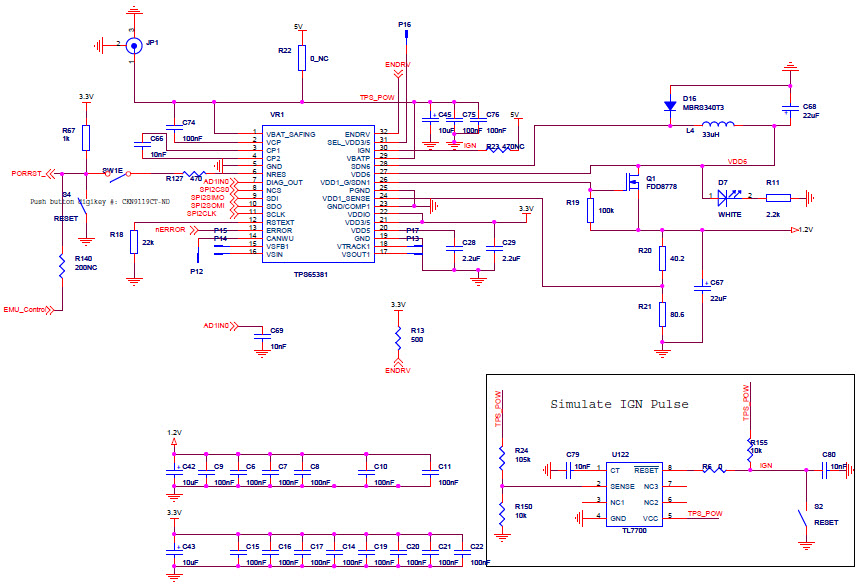
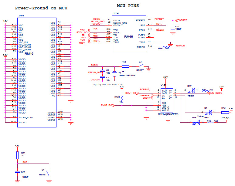
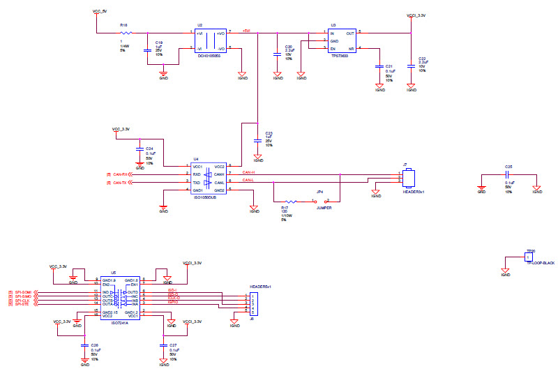
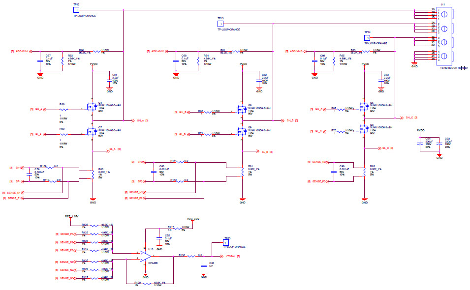
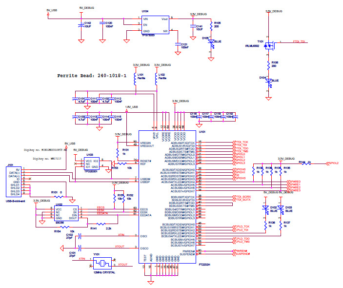
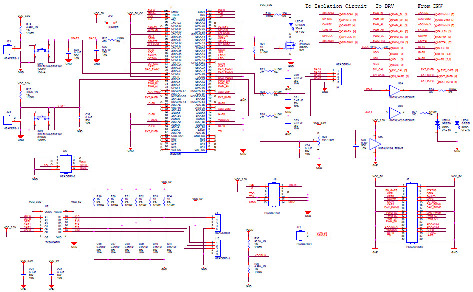
- TIDM-RM46XDRV8301KIT, Three-Phase BLDC/PMSM Motor Drive with High-Performance Microcontrollers Reference Design. This design describes a motor control evaluation kit for spinning 3-phase brushless DC and brushless AC (BLAC) - often referred to as permanent magnet synchronous (PMSM) - motors with example of sensorless Field Oriented/Vector Control (FOC). The implementation leverages the DRV8301 gate-driver IC as well as the TPS65381 Power-Management IC. This reference design can be used as a high-performance, power-efficient, cost-effective platform to speed up development of PMSM control algorithms
主要特色
-
Embedded System TypeMCU
-
Family NameHercules RM
-
Core ProcessorARM Cortex-R4F
Featured Parts (19)
| 零件编号 | 供应商 | 类别 | 说明 | |||
|---|---|---|---|---|---|---|
|
|
DCH010505SN7 | Texas Instruments | DC to DC Converter and Switching Regulator Module | Module DC-DC 5VIN 1-OUT 5V 0.2A 1W 4-Pin SIP Module Tray | 买入 | |
|
|
SN74CBTLV3257PWR | Texas Instruments | Bus Switches | Multiplexer/Demultiplexer Bus Switch 1-Element CMOS 8-IN 16-Pin TSSOP T/R | 买入 | |
|
|
SN74LVC125APWR | Texas Instruments | Buffers and Line Drivers | Buffer/Line Driver 4-CH Non-Inverting 3-ST CMOS 14-Pin TSSOP T/R | 买入 | |
|
|
FT2232HL-REEL | Future Technology Devices International Limited | USB Interface ICs | High Speed USB to UART/FIFO USB 2.0 1.8V/3.3V T/R 64-Pin LQFP | 买入 | |
|
|
TXB0106PWR | Texas Instruments | Level Translators | Voltage Level Translator 6-CH Bidirectional 16-Pin TSSOP T/R | 买入 | |
|
|
SN74LVC2G17DBVR | Texas Instruments | Buffers and Line Drivers | Schmitt Trigger Buffer 2-CH Non-Inverting Push-Pull CMOS 6-Pin SOT-23 T/R | 买入 | |
|
|
ECS-120-20-30B-TR | ECS, Inc. International | Crystals | Crystal 12MHz ±30ppm (Tol) ±50ppm (Stability) 20pF FUND 80Ohm 4-Pin Mini-SMD T/R | 买入 | |
|
|
TPS65381-Q1 | Texas Instruments | PMIC Solutions | Power Supply for Microcontrollers 5.8V to 34V Automotive AEC-Q100 | 买入 | |
|
|
ECS-160-20-23A-TR | ECS, Inc. International | Crystals | Crystal 16MHz ±30ppm (Tol) ±50ppm (Stability) 20pF FUND 60Ohm 2-Pin Mini-SMD T/R | 买入 | |
|
|
OPA365AIDBVR | Texas Instruments | Operational Amplifiers - Op Amps | Op Amp Single High Speed Amplifier R-R I/O ±2.75V/5.5V 5-Pin SOT-23 T/R | 买入 | |
|
|
93LC56C-I/SN | Microchip Technology | EEPROM | EEPROM Serial-Microwire 2K-bit 256 x 8/128 x 16 3.3V/5V 8-Pin SOIC N Tube | 买入 | |
|
|
TPS73033DBVR | Texas Instruments | Linear Regulators | LDO Regulator Pos 3.3V 0.2A 5-Pin SOT-23 T/R | 买入 | |