TIDEP0070, DDR ECC Reference Design to Improve Memory Reliability in 66AK2G02-based Systems
使用 Texas Instruments 的 X66AK2G02ZBB60 的参考设计
Image
1 / 50
依据最终产品
- AV Receiver
- Car Audio
- Home Theater
- Soundbar
说明
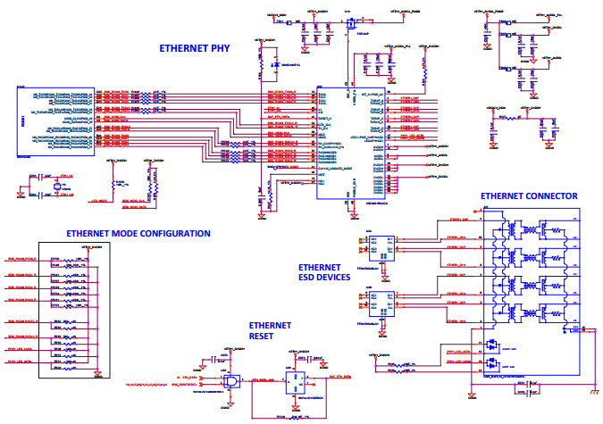
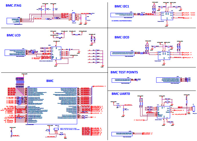
- TIDEP0070, Reference Design describes system considerations for Dual Data Rate (DDR) memory interface with Error Correcting Code (ECC) support in high-reliability applications, based on the 66AK2G02 Multicore DSP + ARM processor System-on-Chip (SoC). It enables developers to implement a high reliability based solution rapidly by discussing system interfaces, board hardware, software, throughput performance and diagnostic procedures
主要特色
-
Embedded System TypeDSP
-
Family Name66AK2G02
-
Core ProcessorARM Cortex-A15
Featured Parts (62)
| 零件编号 | 供应商 | 类别 | 说明 | |||
|---|---|---|---|---|---|---|
|
|
LM22675MR-ADJ/NOPB | Texas Instruments | DC to DC Converter and Switching Regulator Chip | Conv DC-DC 4.5V to 42V Inv/Step Down Single-Out 1.285V to 37V 1A 8-Pin HSOIC EP Tube | 买入 | |
|
|
0-1571983-4 | TE Connectivity | Switch DIP | Switch DIP OFF ON SPST 4 Recessed Rocker 0.025A 24VDC Gull Wing 1.27mm SMD Tube | 买入 | |
|
|
0-1571983-4 | TE Connectivity | Switch DIP | Switch DIP OFF ON SPST 4 Recessed Rocker 0.025A 24VDC Gull Wing 1.27mm SMD Tube | 买入 | |
|
|
SN74AVCB164245VR | Texas Instruments | Level Translators | Voltage Level Translator 16-CH Bidirectional 48-Pin TVSOP T/R | 买入 | |
|
|
MAX3221CPWR | Texas Instruments | Bus Line Transceivers | Single Transmitter/Receiver RS-232 16-Pin TSSOP T/R | 买入 | |
|
|
ASEK-32.768KHZ-LR-T | Abracon | SMD Crystal Oscillators | Oscillator XO 0.032768MHz ±25ppm 15pF 60% 3.3V 4-Pin SMD T/R | 买入 | |
|
|
CSD87330Q3D | Texas Instruments | Specialized Power ICs and Modules | Power Block 8-Pin LSON-CLIP EP T/R | 买入 | |
|
|
S25FL512SAGMFI011 | Infineon Technologies AG | Flash | NOR Flash Serial (SPI, Dual SPI, Quad SPI) 3V/3.3V 512M-bit 512M/256M/128M x 1/2-bit/4-bit 14.5ns 16-Pin SOIC W Tube | 买入 | |
|
|
LM5060MM/NOPB | Texas Instruments | Hot Swap Controllers | Hot Swap Controller 1-CH 65V N-Channel Positive Voltage 10-Pin VSSOP T/R | 买入 | |
|
|
ABM8G-24.000MHZ-18-D2Y-T | Abracon | Crystals | Crystal 24MHz ±20ppm (Tol) ±30ppm (Stability) 18pF FUND 60Ohm 4-Pin Ultra Mini-CSMD T/R | 买入 | |
|
|
CX3225GB22579P0HPQCC | Kyocera | Crystals | Crystal 22.5792MHz ±20ppm (Tol) ±30ppm (Stability) 18pF FUND 60Ohm 4-Pin SMD T/R | 买入 | |
|
|
SN74AVC4T245PW | Texas Instruments | Level Translators | Voltage Level Translator 4-CH Bidirectional 16-Pin TSSOP Tube | 买入 | |