TIDA-00702, 60W, 24V High Efficiency Industrial Power Supply with Precision Voltage, Current and Power Limit
使用 Texas Instruments 的 UCC28740DR 的参考设计
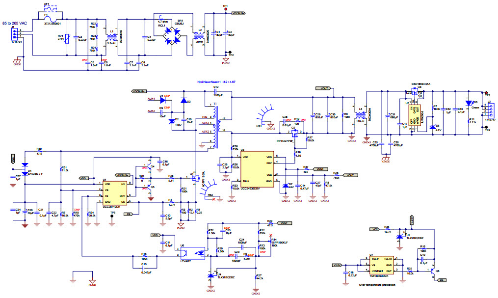
Image
1 / 4
依据最终产品
- Factory Automation
- Industrial LED Lighting
- Industrial Power Supply
- Power Tool
- Process Control
- Security System
说明
- TIDA-00702, 60W, 24V High Efficiency Industrial Power Supply with Precision Voltage, Current and Power Limit. The TIDA-00702 is a 60W, industrial AC-DC power supply designed for use in industrial and instrumentation systems such as process controls, factory automation and machinery control. This reference design is a Quasi-resonant (QR) flyback converter implemented using the UCC28740 CC-CV flyback controller with opto-coupled feedback for voltage and primary-side regulation (PSR) for constant current regulation, with all the necessary protections built-in
主要特色
-
Conversion TypeAC to DC
-
Input Voltage85 to 265 (AC) V
-
Output Voltage23 to 26 V
-
Output Current2.5 A
-
Output Power60 W
-
Efficiency91.7 %
-
TopologyFlyback- Quasi Resonant
Featured Parts (12)
| 零件编号 | 供应商 | 类别 | 说明 | |||
|---|---|---|---|---|---|---|
|
|
LTV817XD-V | Lite-On Technology | Transistor and Photovoltaic Output Photocouplers | Optocoupler DC-IN 1-CH Transistor DC-OUT 4-Pin PDIP | 买入 | |
|
|
LTV817S-V-C | Lite-On Technology | Transistor and Photovoltaic Output Photocouplers | Optocoupler DC-IN 1-CH Transistor DC-OUT 4-Pin PDIP | 买入 | |
|
|
LTV-817 | Lite-On Technology | Transistor and Photovoltaic Output Photocouplers | Optocoupler DC-IN 1-CH Transistor DC-OUT 4-Pin PDIP | 买入 | |
|
|
LM5050MKX-2/NOPB | Texas Instruments | OR Controllers | OR Controller N-Channel Single 6-Pin TSOT-23 T/R | 买入 | |
|
|
TMP302CDRLR | Texas Instruments | Temperature and Humidity Sensors | Temperature Sensor Digital 6-Pin SOT-563 T/R | 买入 | |
|
|
LM5050MK-2/NOPB | Texas Instruments | OR Controllers | OR Controller N-Channel Single 6-Pin TSOT-23 T/R | 买入 | |
|
|
UCC24630DBVT | Texas Instruments | AC to DC Switching Converters | AC to DC Switching Converter CCM/DCM 3.7V 200kHz T/R Medical 6-Pin SOT-23 | 买入 | |
|
|
LM5050MK-2/NOPB | Texas Instruments | OR Controllers | OR Controller N-Channel Single 6-Pin TSOT-23 T/R | 买入 | |
|
|
TMP302CQDRLRQ1 | Texas Instruments | Temperature and Humidity Sensors | Temp Sensor Digital Automotive AEC-Q100 6-Pin SOT-563 T/R | 买入 | |
|
|
UCC24630DBVR | Texas Instruments | AC to DC Switching Converters | AC to DC Switching Converter CCM/DCM 3.7V 200kHz T/R Medical 6-Pin SOT-23 | 买入 | |
|
|
LM5050MKX-2/NOPB | Texas Instruments | OR Controllers | OR Controller N-Channel Single 6-Pin TSOT-23 T/R | 买入 | |
|
|
UCC28740DR | Texas Instruments | AC to DC Switching Converters | AC to DC Switching Converter Flyback 8.15V 100kHz T/R 7-Pin SOIC | 买入 | |