TIDA-00557, RS-232 Modem Interface Module for Protection Relay, IED and Substation Automation Reference Design
使用 Texas Instruments 的 TRS3243EIDWR 的参考设计
Image
1 / 5
依据最终产品
- Bluetooth
- Modems
- Servers
说明
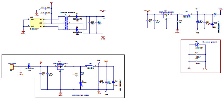
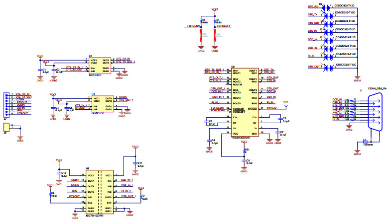
- TIDA-00557, RS-232 Modem Interface Module for Protection Relay, IED and Substation Automation Reference Design. The TIDA-00557 reference design provides an interface for a true RS-232 (eight signal + ground) physical layer interface for data terminal equipment (DTE) using a DB-9 plug-type connector with a provision for a data communication equipment (DCE) interface. This is intended for smart grid IED's, protection relays and substation automation segments. This design meets +-/ 8kV contact discharge ESD protection as per IEC61000-4-2 and +/-1kV surge protection as per IEC61000-4-5
主要特色
-
Interface StandardsRS-232
-
ESD Protection±15
-
Supply VoltageSingle(3.3,5) V
-
Input Voltage4 to 40 V
-
FunctionsLine Transmitter/Receiver
Featured Parts (6)
| 零件编号 | 供应商 | 类别 | 说明 | |||
|---|---|---|---|---|---|---|
|
|
ISO7341CDWR | Texas Instruments | Digital Isolators | Digital Isolator CMOS 4-CH 25Mbps 16-Pin SOIC T/R | 买入 | |
|
|
TPS7A6533QKVURQ1 | Texas Instruments | Linear Regulators | LDO Regulator Pos 3.3V 0.3A 3-Pin(2+Tab) TO-252 T/R Automotive AEC-Q100 | 买入 | |
|
|
ISO7321CD | Texas Instruments | Digital Isolators | Digital Isolator CMOS 2-CH 25Mbps 8-Pin SOIC Tube | 买入 | |
|
|
SN6501DBVR | Step-Up/Down DC-DC Converter | Texas Instruments | DC to DC Converter and Switching Regulator Chip | Transformer Driver Medical 5-Pin SOT-23 T/R | 买入 | |
|
|
SN6501DBVT | Texas Instruments | DC to DC Converter and Switching Regulator Chip | Transformer Driver 5-Pin SOT-23 T/R | 买入 | |
|
|
TRS3243EIDWR | Texas Instruments | Bus Line Transceivers | Triple Transmitter Quint Receiver RS-232 28-Pin SOIC T/R | 买入 | |