TIDA-00427, 2-port 100GbE/40GbE/10GbE QSFP28 Signal Conditioner Reference Design
使用 Texas Instruments 的 DS280BR810ZBF 的参考设计
Image
1 / 9
依据最终产品
- Ethernet Switch
- Optical Networking
- Servers
说明
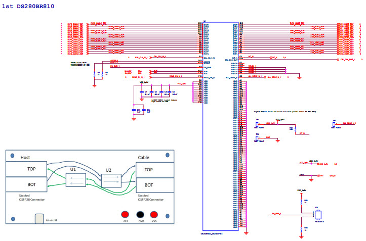
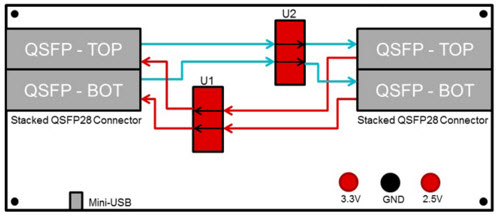
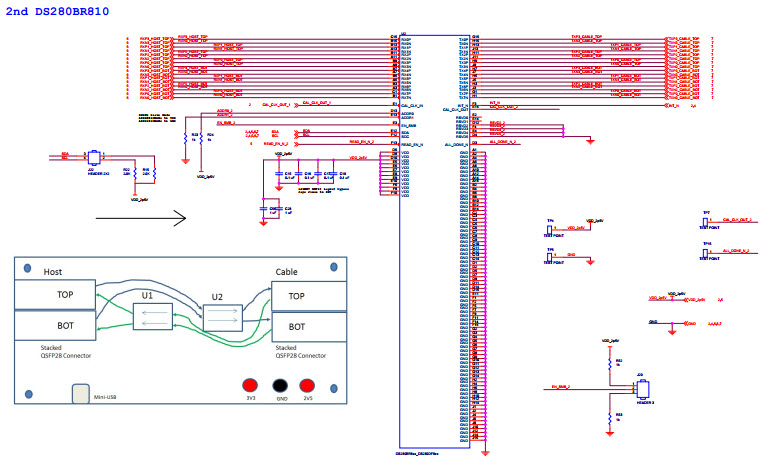
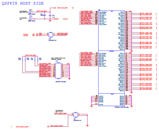
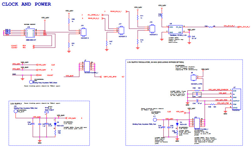
- TIDA-00427, 2-port 100GbE/40GbE/10GbE QSFP28 Signal Conditioner Reference Design. This verified reference design is a signal conditioning solution for front-port QSFP28 supporting two 100GbE ports compatible with 100G-CR4/SR4/LR4, 40G-CR4/SR4/LR4 and 10G SFF-8431 requirements. The design is applicable to optical and passive/active copper cables. It allows for reach extension between the Switch ASIC and the front-port QSFP28 which is often required for the outermost ports of a Top-of-Rack (ToR) switch or for add-in mezzanine implementations of QSFP28 line cards
Featured Parts (5)
| 零件编号 | 供应商 | 类别 | 说明 | |||
|---|---|---|---|---|---|---|
|
|
MSP430F5529IPN | 16-bit MCU | Texas Instruments | Microcontrollers - MCUs | MCU 16-bit MSP430 RISC 128KB Flash 2.5V/3.3V 80-Pin LQFP Tray | 买入 | |
|
|
ECS-240-20-5PX-TR | ECS, Inc. International | Crystals | Crystal 24MHz ±30ppm (Tol) ±50ppm (Stability) 20pF FUND 30Ohm 2-Pin SMD T/R | 买入 | |
|
|
7C-25.000MCB-T | TXC Corporation | SMD Crystal Oscillators | Oscillator XO 25MHz ±50ppm 15pF CMOS 60% 2.5V 4-Pin CSMD T/R | 买入 | |
|
|
DS280BR810ZBFT | Texas Instruments | Signal Buffers and Repeaters | Repeater 2.5V 135-Pin NFBGA T/R | 买入 | |
|
|
DS280BR810ZBFR | Texas Instruments | Signal Buffers and Repeaters | Repeater 2.5V 135-Pin NFBGA T/R | 买入 | |