TIDA-00316, Interfacing Current Output Hall Sensors and CTs with Pseudo-differential ADC/MCU Reference Design
使用 Texas Instruments 的 OPA2192IDR 的参考设计
Image
1 / 6
依据最终产品
- AC Drives
- DC Drives
- Industrial
- Inverters
- Power Supplies
- Servo Motor
- Solar Power Inverter
- UPS System
说明
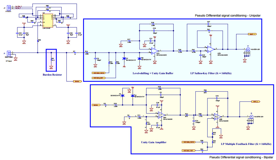
- TIDA-00316, Interfacing Current Output Hall Sensors and CTs with Pseudo-differential ADC/MCU Reference Design. The TIDA-00316 reference design provides a reference solution for interfacing current output Hall sensors and current transformers to Pseudo-differential ADC (Standalone and integrated into MCU). Two variants of signal conditioning circuits are designed to measure motor current using bipolar and unipolar supply voltages respectively. Both the signal conditioning circuits provide current measurement accuracy within ±0.5% for an operating temperature range from -25 C to +75 C
主要特色
-
Number of SuppliesSingle
-
Supply Voltage±12 V
Featured Parts (12)
| 零件编号 | 供应商 | 类别 | 说明 | |||
|---|---|---|---|---|---|---|
|
|
TPS7A4901DGNR | Texas Instruments | Linear Regulators | LDO Regulator Pos 1.194V to 33V 0.15A 8-Pin HVSSOP EP T/R | 买入 | |
|
|
REF2033AIDDCR | Texas Instruments | Voltage References | V-Ref Precision 3.3V 20mA 5-Pin TSOT-23 T/R | 买入 | |
|
|
TPS7A4901DGNR_SAMPLE | Texas Instruments | Linear Regulators | LDO Regulator Pos 1.194V to 33V 0.15A 8-Pin HVSSOP EP T/R | 买入 | |
|
|
LP2992AILD-5.0/NOPB | Texas Instruments | Linear Regulators | LDO Regulator Pos 5V 0.25A 6-Pin WSON EP T/R | 买入 | |
|
|
TPS7A3001DGNR | Texas Instruments | Linear Regulators | LDO Regulator Neg -1.18V to -33V 0.2A 8-Pin HVSSOP EP T/R | 买入 | |
|
|
TPS62150RGTT | Texas Instruments | DC to DC Converter and Switching Regulator Chip | Conv DC-DC 3V to 17V Synchronous Step Down Single-Out 0.9V to 6V 1A 16-Pin VQFN EP T/R | 买入 | |
|
|
OPA2322AIDR | Texas Instruments | Operational Amplifiers - Op Amps | Op Amp Dual Precision Amplifier R-R I/O ±2.75V/5.5V 8-Pin SOIC T/R | 买入 | |
|
|
REF2025AIDDCT | Texas Instruments | Voltage References | V-Ref Precision 2.5V 20mA 5-Pin TSOT-23 T/R | 买入 | |
|
|
TLV1702AIDGK | Texas Instruments | Linear Comparators | Comparator Dual R-R I/P ±18V/36V Medical 8-Pin VSSOP Tube | 买入 | |
|
|
LP2992AILD-5.0/NOPB | Texas Instruments | Linear Regulators | LDO Regulator Pos 5V 0.25A 6-Pin WSON EP T/R | 买入 | |
|
|
REF2025AIDDCR | Texas Instruments | Voltage References | V-Ref Precision 2.5V 20mA 5-Pin TSOT-23 T/R | 买入 | |
|
|
OPA2192IDR | Texas Instruments | Operational Amplifiers - Op Amps | Op Amp Dual Precision Amplifier R-R I/O ±18V/36V 8-Pin SOIC T/R | 买入 | |