TIDA-00220, Capacitive-Based Human Proximity Detection for System Wake-Up and Interrupt Reference Design
使用 Texas Instruments 的 FDC1004DSC 的参考设计
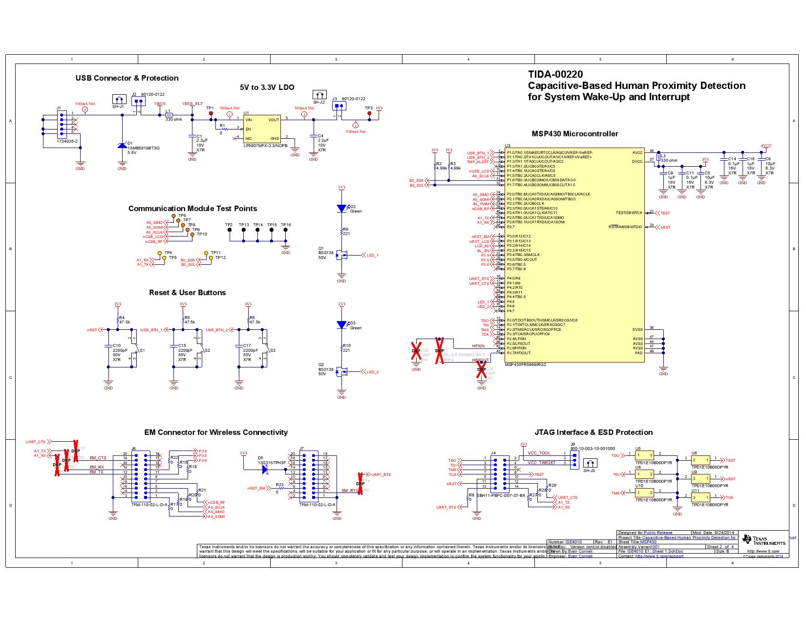
Image
1 / 5
说明
- TIDA-00220, Capacitive-Based Human Proximity Detection for System Wake-Up and Interrupt Reference Design. This Design uses ' capacitive-to-digital converter technology to provide a high-precision method to wake up systems when human interaction occurs. TIDA-00220 demonstrates techniques for alternative sensor design, environmental compensation, and electromagnetic interference protection
Featured Parts (10)
| 零件编号 | 供应商 | 类别 | 说明 | |||
|---|---|---|---|---|---|---|
|
|
MSP430FR5969IRGZT | Texas Instruments | Microcontrollers - MCUs | MCU 16-bit MSP430 RISC 64KB Flash 2.5V/3.3V 48-Pin VQFN EP T/R | 买入 | |
|
|
LM3630ATME | Texas Instruments | LED Drivers | LED Driver 20 Segment 12-Pin DSBGA T/R | 买入 | |
|
|
ABLS-8.000MHZ-B4-T | Abracon | Crystals | Crystal 8MHz ±30ppm (Tol) ±50ppm (Stability) 18pF FUND 80Ohm 2-Pin HC-49/US SMD T/R | 买入 | |
|
|
LP5907MFX-3.3/NOPB | Texas Instruments | Linear Regulators | LDO Regulator Pos 3.3V 0.25A 5-Pin SOT-23 T/R | 买入 | |
|
|
MSP430FR5969IRGZR | Texas Instruments | Microcontrollers - MCUs | MCU 16-bit MSP430 RISC 64KB Flash 2.5V/3.3V 48-Pin VQFN EP T/R | 买入 | |
|
|
TMP112AIDRLR | Texas Instruments | Temperature and Humidity Sensors | Temperature Sensor Digital Serial (2-Wire, I2C, SMBus) 6-Pin SOT-563 T/R | 买入 | |
|
|
LP5907MFX-3.3/NOPB | Texas Instruments | Linear Regulators | LDO Regulator Pos 3.3V 0.25A 5-Pin SOT-23 T/R | 买入 | |
|
|
TMP112AIDRLR-869127202 | Texas Instruments | Temperature and Humidity Sensors | Temperature Sensor Digital Serial (2-Wire, I2C, SMBus) 6-Pin SOT-563 T/R | 买入 | |
|
|
FDC1004DSCJ | Texas Instruments | Data Conversion Misc | Capacitance to Digital Converter 0.4ksps 24bit 10-Pin WSON EP T/R | 买入 | |
|
|
FDC1004DSCR | Texas Instruments | Data Conversion Misc | Capacitance to Digital Converter 0.4ksps 24bit 10-Pin WSON EP T/R | 买入 | |