SY87701AL, Evaluation Board for the SY87701AL PLL Clock Generator for SONET

使用 Microchip Technology 的 SY87701ALHG 的参考设计

供应商

Microchip Technology
  • 应用类别
    时钟和计时
  • 产品类别
    PLL时脉产生器

依据最终产品

  • Industrial Ethernet
  • SONET

说明

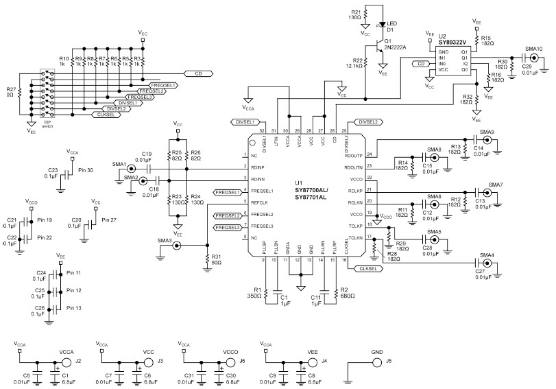
  • SY87701AL, Evaluation Board for the SY87700AL PLL Clock Generator for SONET. The SY87701AL Clock and Data Recovery chip are both high-performance ICs that is designed to provide protocol-independent clock and data recovery at any data rate between 28 Mbps to 1.3 Gbps for SY87701AL

请仔细阅读我们近期更改的隐私政策。当按下确认键时,您已了解并同意艾睿电子的隐私政策和用户协议。

本网站需使用cookies以改善用户您的体验并进一步改进我们的网站。此处阅读了解关于网站cookies的使用以及如何禁用cookies。网页cookies和追踪功能或許用于市场分析。当您按下同意按钮,您已经了解并同意在您的设备上接受cookies,并给予网站追踪权限。更多关于如何取消网站cookies及追踪的信息,请点击下方“阅读更多”。尽管同意启用cookies追踪与否取决用户意愿,取消网页cookies及追踪可能导致网站运作或显示异常,亦或导致相关推荐广告减少。

我们尊重您的隐私。请在此阅读我们的隐私政策。